Мертвая зона (изменяемая)
![]() |
![]() |
| Векторный | Си
| |
| в палитре | на схеме |
Описание
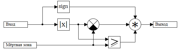
Блок реализует алгоритм линейного звена с коэффициентом усиления равным 1 и зоной
нечувствительности, которая изменяется в зависимости от входного сигнала на втором входном
порте. Блок представляет собой субмодель. Для того чтобы посмотреть структуру алгоритма –
нажмите правой кнопкой Действия → Войти в субмодель:


Входные порты
| Имя | Описание | Тип линии связи |
|---|---|---|
| inport | Входной сигнал блока. | Математическая |
| dead zone | Величина "мертвой зоны". Если вход по абсолютной величине меньше зоны нечувствительности, то выход блока равен 0. | Математическая |
Выходные порты
| Имя | Описание | Тип линии связи |
|---|---|---|
| outport | Равен 0, если входной сигнал по абсолютному значению меньше мертвой зоны. Иначе выход равен разности входного сигнала и величины мертвой зоны, домноженной на знак входного сигнала. | Математическая |
Свойства
Блок не имеет свойств.
Параметры
Блок не имеет параметров.

