Планетарный редуктор с двухвенцовыми планетами
![]() |
![]() |
| Си | |
| в палитре | на схеме |

- Обода R (ring) с числом зубьев ZR
- Звезды S (sun) с числом зубьев ZS
- Планеты в зацеплении со звездой PS (planet) с числом зубьев ZPS
- Планеты в зацеплении с ободом PR с числом зубьев ZPR
- Водила C (carrier)
Блок описывается кинематическим соотношением:
- ωS – угловая скорость звезды, рад/с
- ωC – угловая скорость водила, рад/с
- ωR – угловая скорость обода, рад/с
Для удовлетворения кинематического соотношения блок осуществляет решение уравнения связи. Подробное описание подхода к моделированию передаточных отношений приведено на странице Моделирование передаточных отношений. Подробное описание подхода к моделированию потерь в зубчатых зацеплениях приведено на странице Моделирование КПД редукторов.
Передаточное отношение редуктора от звезды S к водилу C USC при закрепленном ободе R определяется по формуле:
- ZS – число зубьев звезды (sun)
- ZR – число зубьев обода редуктора (ring)
- ZPS – число зубьев планет (planet) в зацеплении со звездой
- ZPR – число зубьев планет в зацеплении с ободом
Передаточное отношение редуктора от обода R к водилу C URC при закрепленной звезде S определяется по формуле:
Блок осуществляет проверку так называемого условия "сборки" редуктора.
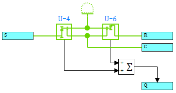
- Блок Безынерционный вращательный элемент моделирует вращение планет нулевой инерции
- Блоки Планетарная передача Звезда-Планета и Планетарная передача Обод-Планета моделируют зубчатые зацепления шестерен редуктора

Рядом с блоком отображается значение передаточного отношения редуктора от звезды S к водилу C USC.
Входные порты
| Имя | Описание | Тип линии связи |
|---|---|---|
| S | Порт для подключения вала звезды (sun) | Механика вращательная |
| R | Порт для подключения обода (ring) | Механика вращательная |
| C | Порт для подключения водила (carrier) | Механика вращательная |
Выходные порты
| Имя | Описание | Тип линии связи |
|---|---|---|
| Q | Потери мощности на трение в подшипниках и зубчатом зацеплении (КПД) | Математическая |
Свойства
| Название | Имя | Описание | По умолчанию | Тип данных |
|---|---|---|---|---|
| Кинематика | Группа свойств, задающих кинематические параметры движения | |||
| Число зубьев обода | Zr | Число зубьев обода | 120 | Целое |
| Число зубьев звезды | Zs | Число зубьев звезды | 20 | Целое |
| Число зубьев планет звезды | Zps | Число зубьев планет звезды | 80 | Целое |
| Число зубьев планет обода | Zpr | Число зубьев планет обода | 20 | Целое |
| Передаточное число Ws/Wc | Usc | Передаточное отношение редуктора от звезды S к водилу C. Свойство отображается в режиме "Только для чтения" и носит справочный характер | 25 | Вещественное |
| Передаточное число Wr/Wc | Urc | Передаточное отношение редуктора от обода R к водилу C. Свойство отображается в режиме "Только для чтения" и носит справочный характер | 1.041667 | Вещественное |
| Потери | Группа свойств, задающих параметры потерь | |||
| Порог мощности, Вт | Q_th | Значение мощности, передаваемой через блок, ниже которой КПД увеличивается для достижения устойчивости численного решения | 0.1 | Вещественное |
| КПД пары звезда/планета | Nu_sp | КПД пары звезда/планета | 1 | Вещественное |
| КПД пары обод/планета | Nu_rp | КПД пары обод/планета | 1 | Вещественное |
| Коэффициент трения подшипников водила, Н·м·с/рад | B_C | Коэффициент трения подшипников водила | 0 | Вещественное |
| Коэффициент трения подшипников обода, Н·м·с/рад | B_R | Коэффициент трения подшипников обода | 0 | Вещественное |
| Коэффициент трения подшипников звезды, Н·м·с/рад | B_S | Коэффициент трения подшипников звезды | 0 | Вещественное |
| Коэффициент трения подшипников планет, Н·м·с/рад | B_P | Коэффициент трения подшипников планет | 0 | Вещественное |
| Постоянная времени для решения НАУ, с | Tau | Постоянная времени для решения НАУ. Используется в блоках Планетарная передача Звезда-Планета и Планетарная передача Обод-Планета для решения уравнения связи | 0.1 | Вещественное |
Параметры
| Название | Имя | Описание | Тип данных |
|---|---|---|---|
| Потери мощности, Вт | Q | Потери мощности на трение в подшипниках и зубчатом зацеплении (КПД) | Вещественное |
| Звезда | Группа параметров, отображающих параметры звезды | ||
| Угловая скорость, рад/с | Ws | Величина угловой скорости на порте "S" | Вещественное |
| Момент, Н·м | Ts | Момент, передаваемый с редуктора на подключенные блоки | Вещественное |
| Мощность, Вт | Qs | Мощность, передаваемая с редуктора на подключенные блоки. Отрицательное значение означает, что звезда является ведущим элементом редуктора | Вещественное |
| Водило | Группа параметров, отображающих параметры водила | ||
| Угловая скорость, рад/с | Wc | Величина угловой скорости на порте "С" | Вещественное |
| Момент, Н·м | Tc | Момент, передаваемый с редуктора на подключенные блоки | Вещественное |
| Мощность, Вт | Qc | Мощность, передаваемая с редуктора на подключенные блоки. Отрицательное значение означает, что водило является ведущим элементом редуктора | Вещественное |
| Обод | Группа параметров, отображающих параметры обода | ||
| Угловая скорость, рад/с | Wr | Величина угловой скорости на порте "R" | Вещественное |
| Момент, Н·м | Tr | Момент, передаваемый с редуктора на подключенные блоки | Вещественное |
| Мощность, Вт | Qr | Мощность, передаваемая с редуктора на подключенные блоки. Отрицательное значение означает, что обод является ведущим элементом редуктора | Вещественное |

