Планетарный редуктор Равинье
![]() |
![]() |
| Си | |
| в палитре | на схеме |
Блок предназначен для моделирования планетарного редуктора Равинье (Ravigneaux) с постоянным
передаточным отношением и КПД. Редуктор содержит два набора зацеплений вида "Звезда-Планета" и
один набор зацеплений вида "Планета-Планета". Кинематическая схема редуктора приведена на
рисунке (Рисунок
1).

Рис. 1. Кинематическая схема планетарного редуктора Равинье

Редуктор состоит из:
- Обода R (ring) с числом зубьев ZR
- Большой и малой звезд SL и SS (large sun и small sun) с числами зубьев ZSL и ZSS
- Планеты большой звезды PL (planet) с числом зубьев ZPL
- Внутренней и внешней планет малой звезды ZIS и ZES (internal и external) с числами зубьев ZPIS и ZPES
- Водила C (carrier)
Блок описывается следующими кинематическими соотношениями:
где:
- ωSS – угловая скорость малой звезды, рад/с
- ωSL – угловая скорость большой звезды, рад/с
- ωC – угловая скорость водила, рад/с
- ωR – угловая скорость обода, рад/с
Для удовлетворения кинематического соотношения блок осуществляет решение уравнения связи. Подробное описание подхода к моделированию передаточных отношений приведено на странице Моделирование передаточных отношений. Подробное описание подхода к моделированию потерь в зубчатых зацеплениях приведено на странице Моделирование КПД редукторов.
Редуктор может иметь различные передаточные отношения в зависимости то того, какой из элементов закреплен, а какие элементы приняты в качестве ведущего и ведомого валов.
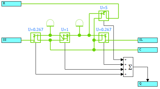
Блок является субмоделью, включающей в себя блоки (Рисунок 2):

Рис. 2. Модель планетарного редуктора Равинье
- Блоки Безынерционный вращательный элемент моделируют вращение планет нулевой инерции
- Блоки Планетарная передача Звезда-Планета, Планетарная передача Планета-Планета и Планетарная передача Обод-Планета моделируют зубчатые зацепления шестерен редуктора

Входные порты
| Имя | Описание | Тип линии связи |
|---|---|---|
| SS | Порт для подключения вала малой звезды (small sun) | Механика вращательная |
| SL | Порт для подключения вала большой звезды (large sun) | Механика вращательная |
| R | Порт для подключения обода (ring) | Механика вращательная |
| C | Порт для подключения водила (carrier) | Механика вращательная |
Выходные порты
| Имя | Описание | Тип линии связи |
|---|---|---|
| Q | Потери мощности на трение в подшипниках и зубчатом зацеплении (КПД) | Математическая |
Свойства
| Название | Имя | Описание | По умолчанию | Тип данных |
|---|---|---|---|---|
| Кинематика | Группа свойств, задающих кинематические параметры движения | |||
| Число зубьев обода | Zr | Число зубьев обода | 100 | Целое |
| Число зубьев малой звезды | Zss | Число зубьев малой звезды | 75 | Целое |
| Число зубьев большой звезды | Zsl | Число зубьев большой звезды | 75 | Целое |
| Число зубьев внутренних планет малой звезды | Zpis | Число зубьев внутренних планет малой звезды | 20 | Целое |
| Число зубьев внешних планет малой звезды | Zpes | Число зубьев внешних планет малой звезды | 20 | Целое |
| Число зубьев планет большой звезды | Zpl | Число зубьев планет большой звезды | 20 | Целое |
| Потери | Группа свойств, задающих параметры потерь | |||
| Порог мощности, Вт | Q_th | Значение мощности, передаваемой через блок, ниже которой КПД увеличивается для достижения устойчивости численного решения | 0.1 | Вещественное |
| КПД пары малая звезда/планета | Nu_ssp | КПД пары малая звезда/планета | 1 | Вещественное |
| КПД пары большая звезда/планета | Nu_slp | КПД пары большая звезда/планета | 1 | Вещественное |
| КПД пары планета/планета | Nu_pp | КПД пары планета/планета | 1 | Вещественное |
| КПД пары обод/планета | Nu_rp | КПД пары обод/планета | 1 | Вещественное |
| Коэффициент трения подшипников водила, Н·м·с/рад | B_C | Коэффициент трения подшипников водила | 0 | Вещественное |
| Коэффициент трения подшипников обода, Н·м·с/рад | B_R | Коэффициент трения подшипников обода | 0 | Вещественное |
| Коэффициент трения подшипников малой звезды, Н·м·с/рад | B_Ss | Коэффициент трения подшипников малой звезды | 0 | Вещественное |
| Коэффициент трения подшипников большой звезды, Н·м·с/рад | B_Sl | Коэффициент трения подшипников большой звезды | 0 | Вещественное |
| Коэффициент трения подшипников планет, Н·м·с/рад | B_P | Коэффициент трения подшипников планет | 0 | Вещественное |
| Постоянная времени для решения НАУ, с | Tau | Постоянная времени для решения НАУ. Используется в блоках Планетарная передача Звезда-Планета, Планетарная передача Планета-Планета и Планетарная передача Обод-Планета для решения уравнения связи | 0.1 | Вещественное |
Параметры
| Название | Имя | Описание | Тип данных |
|---|---|---|---|
| Потери мощности, Вт | Q | Потери мощности на трение в подшипниках и зубчатом зацеплении (КПД) | Вещественное |
| Малая звезда | Группа параметров, отображающих параметры малой звезды | ||
| Угловая скорость, рад/с | Wss | Величина угловой скорости на порте "SS" | Вещественное |
| Момент, Н·м | Tss | Момент, передаваемый с редуктора на подключенные блоки | Вещественное |
| Мощность, Вт | Qss | Мощность, передаваемая с редуктора на подключенные блоки. Отрицательное значение означает, что малая звезда является ведущим элементом редуктора | Вещественное |
| Большая звезда | Группа параметров, отображающих параметры большой звезды | ||
| Угловая скорость, рад/с | Wsl | Величина угловой скорости на порте "SL" | Вещественное |
| Момент, Н·м | Tsl | Момент, передаваемый с редуктора на подключенные блоки | Вещественное |
| Мощность, Вт | Qsl | Мощность, передаваемая с редуктора на подключенные блоки. Отрицательное значение означает, что большая звезда является ведущим элементом редуктора | Вещественное |
| Водило | Группа параметров, отображающих параметры водила | ||
| Угловая скорость, рад/с | Wc | Величина угловой скорости на порте "С" | Вещественное |
| Момент, Н·м | Tc | Момент, передаваемый с редуктора на подключенные блоки | Вещественное |
| Мощность, Вт | Qc | Мощность, передаваемая с редуктора на подключенные блоки. Отрицательное значение означает, что водило является ведущим элементом редуктора | Вещественное |
| Обод | Группа параметров, отображающих параметры обода | ||
| Угловая скорость, рад/с | Wr | Величина угловой скорости на порте "R" | Вещественное |
| Момент, Н·м | Tr | Момент, передаваемый с редуктора на подключенные блоки | Вещественное |
| Мощность, Вт | Qr | Мощность, передаваемая с редуктора на подключенные блоки. Отрицательное значение означает, что обод является ведущим элементом редуктора | Вещественное |
Примеры
Примеры использования блока:

