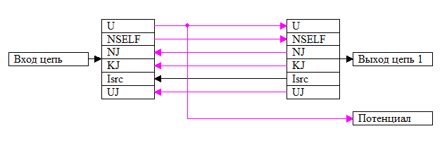
Датчик потенциала
![]() |
![]() |
|
| в палитре | на схеме |
Блок используется только для "снятия показаний" потенциала в данной точке электрической схемы.
Структура блока представлена на рисунке (Рис. 1):

На выходном порте блока "Потенциал" формируется текущее значение потенциала.

