Управляемый источник напряжения
![]() |
![]() |
|
| в палитре | на схеме |
Блок представляет собой модель источника управляемой разности потенциалов, описываемой следующим уравнением:
где:
ui(t) – потенциал данного узла;
uj(t) – потенциал предыдущего (входного) узла;
U0 – значение граничного потенциала.
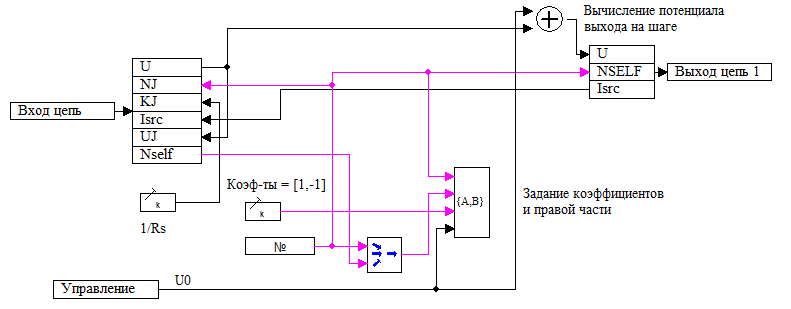
Внутренняя структура данного блока приведена на рисунке (Рис. 1):

Блок имеет вход (снизу), который подключается к граничному или внутреннему узлу электрической цепи, вход управления (сбоку) для задания разности потенциалов источника напряжения и выход для соединения с другими элементами электрической цепи. Топологически данный элемент является узлом специального типа.
Константа задаёт при помощи блока "Задание коэффициентов уравнений для узла" 2 коэффициенты равные 1 и -1 в системе уравнений с номерами столбцов равными номеру строки, который формируется на выходе блока "Счётчик уравнений" и номеру предыдущего узла. Правая часть уравнения формируется со входа "Управление". При помощи блока формирования ненаправленного соединения данный блок формирует на своём выходе значение потенциала (соединение с именем U) и номер переменной потенциала данного узла в векторе решений системы линейных уравнений (соединение с именем NSELF). При этом ток источника напрямую передаётся в предыдущий узел.
Свойство:
-
Сопротивление шунта, Ом – число, задающее значение сопротивления шунта.
Примеры заполнения диалогового окна свойств блока:
| Числовое задание свойств: | |
| Название | Значение |
| Сопротивление шунта, Ом | [1e8] |
| Именованное задание свойств: | |
| Название | Значение |
| Сопротивление шунта, Ом | [Rsh_1] |
Примечания:
- Свойство блока может быть только скалярным.
- Именованное свойство задается как локальная переменная модели (или субмодели) во вкладке Параметры или как глобальный сигнал проекта при помощи пункта главного меню Графика→Сигналы.

