Индуктивность переменная
![]() |
![]() |
|
| в палитре | на схеме |
Блок представляет собой модель нелинейного сопротивления, описываемого следующим дифференциальным уравнением:
где
u(t) – разность потенциалов;
L(t) – индуктивность, переменная во времени (значение индуктивности подается на входной порт блока "Управление");
i(t) – ток.
Блок аналогичен блоку Индуктивность идеальная.

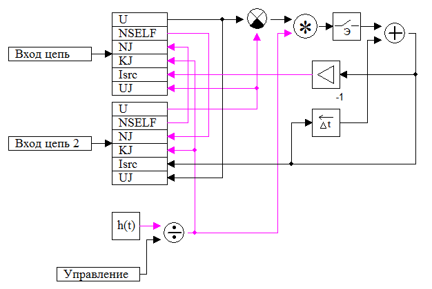
На рисунке (Рис. 1) изображена графически представленная в SimInTech схема аппроксимации индуктивности переменной.
Свойство:
-
Начальный ток, А – число, задающее начальное значение тока (для блока задержки на шаг интегрирования).
Примеры заполнения диалогового окна свойств блока:
| Числовое задание свойств: | |
| Название | Значение |
| Начальный ток, А | 0.0 |
| Именованное задание свойств: | |
| Название | Значение |
| Начальный ток, А | i0 |
Примечания:
- Свойство блока должно быть скалярной величиной.
- Свойства посредством колонки "Формула" могут быть заданы при помощи локальных переменных модели (субмодели) в ее скрипте, при помощи глобальных сигналов проекта в пункте главного меню Сервис → Сигналы..., или сигналов подключаемой базы данных.

