ЭЦД – Линия электропередачи 3-фазная (1 л. сх.)





в палитре на схеме

Блок реализует модель трехфазной линии электропередачи. Используется совместно c элементами библиотеки ЭЦ - Динамика (ЭЦД) 2.0.

Модель основана на одиночных RLC-элементах и схем замещения в αβ0-координатах для П- и Т-секций, и схемы замещения в αβ0-координатах с эквивалентными источниками тока для линии с распределенными параметрами. Возможные варианты модели линии представлены на рисунках 1-3 соответственно.


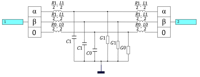
Рис. 1. П-секция: R1, L1 – сопротивление и индуктивность линии прямой последовательности; G1, С1 – поперечная проводимость и ёмкость линии прямой последовательности; R0, L0 – сопротивление и индуктивность линии нулевой последовательности; G0, С0 – поперечная проводимость и ёмкость линии нулевой последовательности.


Рис. 2. Т-секция


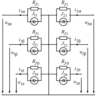
Рис. 3. Линия с распределенными параметрами
Параметры схем замещения рассчитываются в зависимости от значений свойств блока "Схема секции" и "Выполнить пересчет параметров (для длинных линий)".

"Схема секции" – π-секция

Если установлено значение "Нет", то расчет производится по следующим выражениям:





Если установлено значение "Да", то расчет параметров схемы замещения производится по выражениям, содержащим гиперболические функции:























"Схема секции" T-секция

Если в свойстве "Выполнить пересчет параметров (для длинных линий)" установлено значение "Нет", то расчет производится по следующим выражениям:



Если установлено значение "Да", то расчет параметров схемы замещения производится по выражениям, содержащим гиперболические функции:























"Схема секции" – Распределенные параметры

Расчет производится по следующим выражениям:



















При использовании последней модели рекомендуется устанавливать значение шага интегрирования не более h = 0,1τ (значение τ отображено в свойстве "Время прохождения сигнала через линию"), а также учитывать, что данная модель соответствует длинной линии с малыми потерями: Zc>>R/4 и проводимость утечки равна 0.

За положительное направление тока принято направление от порта "1" к порту "2".

Порты

  • 1 – порт трёхфазной электрической связи;
  • 2 – порт трёхфазной электрической связи.

Свойства

  • Схема секции;
  • Длина линии, км;
  • Номинальная частота, Гц;
  • Удельное сопротивление прямой последовательности [r1, x1], Ом/км;
  • Удельное сопротивление нулевой последовательности [r0, x0], Ом/км;
  • Удельная проводимость прямой последовательности [g1, b1], См/км;
  • Удельная проводимость нулевой последовательности [g0, b0], См/км;
  • Выполнить пересчет параметров (для длинной линии);
  • Активное сопротивление в ветвях конденсаторов, Ом;
  • Число секций;
  • Показывать число фаз;
  • Имя на схеме.

Параметры

  • Ток к порту 1 [Ia, Ib, Ic], А;
  • Ток от порта 2 [Ia, Ib, Ic], А.