Импульс длительностью не более заданной
![]() |
![]() |
| Векторный | Си
| ST | |
| в палитре | на схеме |
Описание
Формирует импульс заданной длительности и не более при изменении входа от нуля до единицы. Алгоритм работы блока: если входной сигнал изменился с нулевого значения на единичное (или на ненулевое), то блок формирует на выходе логическую единицу в течение заданного времени. При этом, если входной сигнал исчез ранее заданной длительности импульса (стал равным 0), блок учитывает это и прекращает подачу импульса на выходе.
Входные порты
| Имя | Описание | Тип линии связи |
|---|---|---|
| inport | Порт для входного сигнала x(t). | Математическая |
| T1 | Опциональный порт для задания величины длительности импульса. | Математическая |
Выходные порты
| Имя | Описание | Тип линии связи |
|---|---|---|
| outport | Порт выходного сигнала y(t). | Математическая |
Свойства
| Название | Имя | Описание | По умолчанию | Тип данных |
|---|---|---|---|---|
| Длительность импульса, с | tau | Время, в течение которого блок формирует логическую единицу на выходе. Длительность импульса может быть меньше заданной, при исчезновении входного сигнала. | [10] | Массив |
| Длительность задается через | addport | Способ задания длительности импульса: через дополнительный вход или через параметр блока "Длительность импульса". | Параметр | Перечисление |
Параметры
Пример работы блока
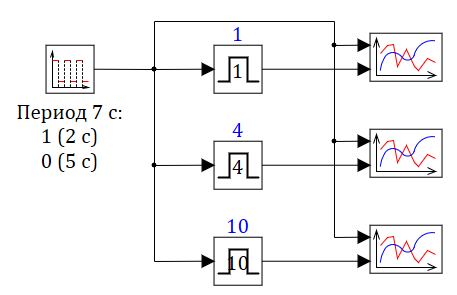
Рассмотрим три блока с длительностью импульсов не более 1, 4 и 10 секунд. При этом на вход
в блоки будем подавать один и тот же сигнал типа "меандр" с полным периодом 7 секунд
(длительность первого полупериода 2 с, второго 5 с). Время расчета — 30 с:

Рассмотрим графики получаемых импульсов на выходе из блоков (розовый график — входной сигнал типа "меандр", черный график — импульс):



Как видно из графиков, блок генерирует импульсы не более заданной длительности и только до тех пор, пока входной сигнал изменялся от 0 до 1 и остается равным 1. Два последних графика совпадают, хотя заданная длительность импульса в блоках разная.

Рассмотрим графики получаемых импульсов на выходе из блоков (розовый график — входной сигнал типа "меандр", черный график — импульс):



Как видно из графиков, блок генерирует импульсы не более заданной длительности и только до тех пор, пока входной сигнал изменялся от 0 до 1 и остается равным 1. Два последних графика совпадают, хотя заданная длительность импульса в блоках разная.

