ЭЦС - Линия электропередачи 3-фазная (1 л. сх.)
![]() |
![]() |
|Си| |
| в палитре | на схеме |
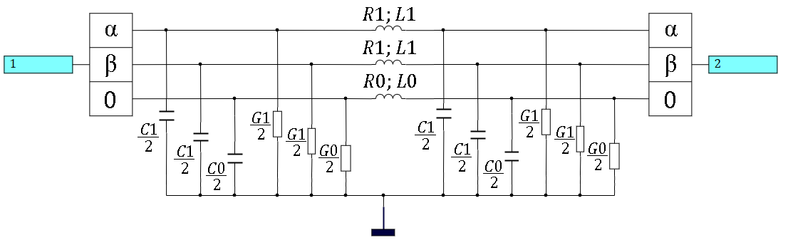
Блок реализует модель трехфазной линии электропередачи. Используется совместно c элементами библиотеки "ЭЦ - Статика (ЭЦС) 2.0".

- R1, L1 – сопротивление и индуктивность линии прямой последовательности;
- G1, C1 – поперечная проводимость и ёмкость линии прямой последовательности;
- R0, L0 – сопротивление и индуктивность линии нулевой последовательности;
- G0, C0 – поперечная проводимость и ёмкость линии нулевой последовательности.
Параметры схем замещения рассчитываются в зависимости от значений свойств блока "Схема секции" и "Выполнить пересчет параметров (для длинных линий)".
Если установлено значение "Нет", то расчет производится на основе удельных параметров линии по следующим выражениям:
Если установлено значение "Да", то расчет параметров схемы замещения производится по выражениям, содержащим гиперболические функции:
Дополнительной опцией блока является возможность использования его для расчёта в мгновенных значениях.
Метод расчёта задается свойством "Метод расчета". При значении "Из настроек контейнера" будет использоваться метод, указанный в блоке "ЭЦС - Контейнер метода расчета", в который входит данный блок. Остальные значения позволяют задавать способ расчёта для блока вне зависимости от свойств контура.
За положительное направление тока принято направление от порта "1" к порту "2".
Порты
- 1 – порт электрической связи;
- 2 – порт электрической связи.
Входные порты
Блок не имеет входных портов.
Выходные порты
Блок не имеет выходных портов.
Свойства
- Длина линии, км;
- Номинальная частота, Гц;
- Удельное сопротивление прямой последовательности [r1, x1], Ом/км;
- Удельное сопротивление нулевой последовательности [r0, x0], Ом/км;
- Удельная проводимость прямой последовательности [g1, g1], См/км;
- Удельная проводимость нулевой последовательности [g0, g0], См/км;
Дополнительные:
- Выполнить пересчет параметров (для длинной линии);
- Активное сопротивление в ветвях конденсаторов, Ом;
- Число секций;
- Показывать число фаз;
- Цвет – устанавливает цвет УГО блока;
- Метод расчета.
Параметры
- Ток к порту 1 [Ia, Ib, Ic] (rms/inst), А*;
- Ток от порта 2 [Ia, Ib, Ic] (rms/inst), А*;
- Напряжение порта 1 [Ua, Ub, Uc] (rms/inst), В*;
- Напряжение порта 2 [Ua, Ub, Uc] (rms/inst), В*;
- Угол напряжения порта 1, гр.**;
- Угол напряжения порта 2, гр.**;
- Мощность активная к порту 1, кВт**;
- Мощность реактивная к порту 1, квар**;
- Мощность полная к порту 1, кВА**;
- Мощность активная от порта 2, кВт**;
- Мощность реактивная от порта 2, квар**;
- Мощность полная от порта 2, кВА**.
* Отображает действующее значение при расчёте в комплексных числах; мгновенное значение при расчёте в мгновенных значениях.
**Вычисляется только при расчете в комплексных числах

