ЭЦС - Автотрансформатор силовой 3-фазный 3-обмоточный с РПН (1 л. сх.)
![]() |
![]() |
|Си| |
| в палитре | на схеме |
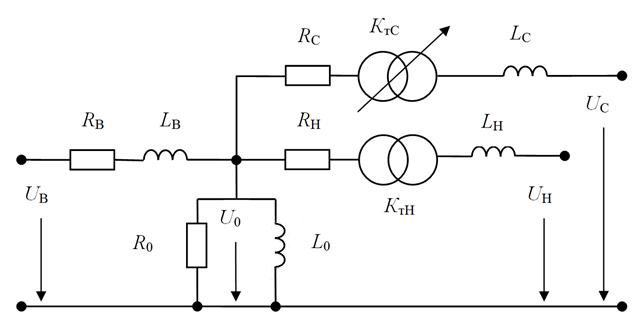
Блок реализует модель трехфазного силового трехобмоточного автотрансформатора с устройством регулирования под нагрузкой (РПН). Используется совместно c элементами библиотеки "ЭЦ - Статика (ЭЦС) v2.0".

- R, L – активное сопротивление и индуктивность рассеяния соответствующей обмотки;
- R0, L0 – активное сопротивление и индуктивность цепи намагничивания;
- KтН – коэффициент трансформации идеального трансформатора СН;
- KтC – коэффициент трансформации идеального трансформатора НН.

где Ксх ВН – коэффициент схемы обмотки ВН.




В блоке предусмотрена возможность расчета параметров схемы замещения по каталожным данным трансформатора. Для этого необходимо переместить курсор в поле "Значение" свойства "Рассчитать параметры схемы замещения" и нажать появившуюся кнопку.
Для записи рассчитанных значений в свойства модели необходимо нажать кнопку свойства "Записать расчетные параметры в свойства".
Параметры схемы замещения в относительных единицах определяются следующим образом:
- полные сопротивления обмоток:



- активные сопротивления обмоток:



где
если мощность обмотки НН не задана (равна 0), то она принимается равной типовой,
при отличной мощности обмотки НН. -
индуктивные сопротивления обмоток:

-
активное и полное сопротивления холостого хода:

-
активное сопротивление ветви намагничивания:

-
индуктивное сопротивление ветви намагничивания:

Дополнительной опцией блока является возможность использования его для расчёта в мгновенных значениях.
Метод расчёта задается свойством "Метод расчета". При значении "Из настроек контейнера" будет использоваться метод, указанный в блоке "ЭЦС - Контейнер метода расчета", в который входит данный блок. Остальные значения позволяют задавать способ расчёта для блока вне зависимости от свойств контура.
Порты
- 1 – порт трехфазной однолинейной электрической связи стороны ВН;
- 2 – порт трехфазной однолинейной электрической связи стороны СН;
- 3 – порт трехфазной однолинейной электрической связи обмотки НН;
- N1 – порт электрической связи нейтрали;
Входные порты
- tab – порт входа математической связи управления РПН.
Выходные порты
Блок не имеет выходных портов.
Свойства
Номинальные данные:
- Тип;
- Номинальная мощность, кВА;
- Номинальная мощность обмотки НН, кВА (если равна типовой, то можно задать значение 0);
- Номинальное напряжение стороны ВН, В;
- Номинальное напряжение стороны СН, В;
- Номинальное напряжение обмотки НН, В;
- Ток холостого хода, %;
- Номинальная частота, Гц;
Схема замещения:
- Сопротивление стороны ВН [Xhv, Rhv], о.е. – параметры схемы замещения;
- Сопротивление стороны СН [Xmv, Rmv], о.е. – параметры схемы замещения;
- Сопротивление обмотки НН [Xlv, Rlv], о.е. – параметры схемы замещения;
- Сопротивление ветви намагничивания [Xm, Rm], о.е. – параметры схемы замещения;
Расчет параметров схемы замещения:
- Напряжение короткого замыкания ВН-СН, %;
- Напряжение короткого замыкания ВН-НН, %;
- Напряжение короткого замыкания СН-НН, %;
- Потери холостого хода, кВт;
- Потери короткого замыкания ВН-СН, кВт;
- Потери короткого замыкания ВН-НН, кВт;
- Потери короткого замыкания СН-НН, кВт;
- Рассчитать параметры схемы замещения;
- Записать расчетные параметры в свойства;
- Сопротивление стороны ВН [Xhv, Rhv], о.е. – расчетные значения;
- Сопротивление стороны СН [Xmv, Rmv], о.е. – расчетные значения;
- Сопротивление обмотки НН [Xlv, Rlv], о.е. – расчетные значения;
- Сопротивление ветви намагничивания [Xm, Rm], о.е. – расчетные значения;
Расчетные параметры
- Номинальный ток стороны ВН, А;
- Номинальный ток стороны СН, А;
- Номинальный ток обмотки НН, А;
- Коэффициент трансформации ВН-СН;
- Коэффициент трансформации ВН-НН.
Дополнительные:
- Цвет ВН – устанавливает цвет УГО блока;
- Цвет СН – устанавливает цвет УГО блока;
- Цвет НН – устанавливает цвет УГО блока;
- Метод расчета.
Параметры
- Ток комплексный обмотки ВН [IA, IB, IC] (rms), А*;
- Ток обмотки ВН [IA, IB, IC] (rms/inst), А**;
- Ток комплексный обмотки СН [IA, IB, IC] (rms), А*;
- Ток обмотки СН [IA, IB, IC] (rms/inst), А**;
- Ток комплексный обмотки НН [Ia, Ib, Ic] (rms), А*;
- Ток обмотки НН [Ia, Ib, Ic] (rms/inst), А**.
*Отображает значение в комплексной форме при расчёте в комплексных числах; величина параметра равна нулю при расчёте в мгновенных значениях.
** Отображает действующее значение при расчёте в комплексных числах; мгновенное значение при расчёте в мгновенных значениях.

