ЭЦС - Трансформатор 3-фазный 2-обмоточный с расщепленной обмоткой НН (1 л. сх.)
![]() |
![]() |
|Си| |
| в палитре | на схеме |
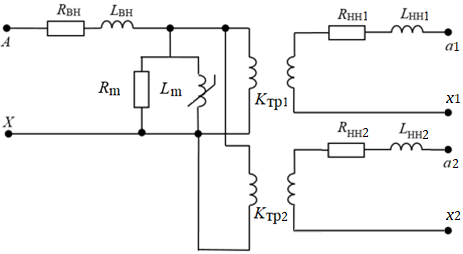
Блок реализуют модель трехфазного двухобмоточного трансформатора c расщепленной обмоткой низшего напряжения. Используется совместно c элементами библиотеки "ЭЦ - Статика (ЭЦС) v2.0".
Модель 3-фазного 2-обмоточного трансформатора с расщепленной обмоткой низшего напряжения основана на Т-образной схеме замещения, дублируемой для каждой фазы трансформатора.
В зависимости от свойства "Схема и группа соединений" можно задать следующие схемы и группы соединений:
- Y(n)/Y(n)-0 (звезда/звезда - 0);
- Y(n)/D-11 (звезда/треугольник - 0);
- D/Y(n)-11 (треугольник /звезда - 0).
В обмотке высшего напряжения для схемы "звезда" наличие вывода средней точки обмотки устанавливается свойством "Вывод нейтрали ВН".
Обмотка высшего напряжения (ВН) соотносится с портом "1", обмотка низкого напряжения (НН1) с портом "2", обмотка низкого напряжения (НН2) с портом "3".

- RВН, LВН – активные сопротивления и индуктивности обмоток высшего напряжения (ВН);
- RНН1, LНН1 – активное сопротивление и индуктивность обмотки низшего напряжения 1 (НН1);
- RНН2, LНН2 – активное сопротивление и индуктивность обмотки низшего напряжения 2 (НН2);
- Rm, Lm – активное сопротивление и индуктивность намагничивания;
- R0, L0 – активное сопротивление и индуктивность цепи намагничивания;
- KТР1 – коэффициент трансформации обмоток ВН-НН1;
- KТР2 – коэффициент трансформации обмоток ВН-НН2.
Параметры схемы замещения трансформатора в свойствах блока задаются в относительных единицах.

где Ксх ВН – коэффициент схемы обмотки ВН.
Коэффициент схемы i-й обмотки Ксх i равен √3 при соединении i-й обмотки трансформатора в треугольник и 1 при соединении обмотки в звезду.




В блоке предусмотрена возможность расчета параметров схемы замещения по каталожным данным трансформатора. Для этого необходимо переместить курсор в поле "Значение" свойства "Рассчитать параметры схемы замещения" и нажать появившуюся кнопку.
Для записи рассчитанных значений в свойства модели необходимо нажать кнопку свойства "Записать расчетные параметры в свойства".
Параметры схемы замещения в относительных единицах определяются следующим образом (соотношение сопротивлений обмоток высшего и низшего напряжения определяется обмоточным коэффициентом Кобм):
- полные сопротивления обмоток:

- активные сопротивления обмоток:

-
индуктивные сопротивления обмоток:

-
активное и полное сопротивления холостого хода:

-
активное сопротивление ветви намагничивания:

-
индуктивное сопротивление ветви намагничивания:

За положительное направление токов принято: для обмотки ВН направление в трансформатор через порт "1"; для обмотки НН направление из трансформатора через порт "2".
Дополнительной опцией блока является возможность использования его для расчёта в мгновенных значениях.
Метод расчёта задается свойством "Метод расчета". При значении "Из настроек контейнера" будет использоваться метод, указанный в блоке "ЭЦС - Контейнер метода расчета", в который входит данный блок. Остальные значения позволяют задавать способ расчёта для блока вне зависимости от свойств контура.
Порты
- 1 – порт трехфазной однолинейной электрической связи обмотки ВН;
- 2 – порт трехфазной однолинейной электрической связи обмотки НН1;
- 3 – порт трехфазной однолинейной электрической связи обмотки НН2;
- N1 – порт электрической связи нейтрали обмотки НН (порт появляется при выборе значения "Да" свойства "Вывод нейтрали ВН").
Входные порты
Блок не имеет входных портов.
Выходные порты
Блок не имеет выходных портов.
Свойства
Номинальные данные:
- Тип;
- Номинальная мощность, кВА;
- Номинальное напряжение обмотки ВН (линейное, rms), В;
- Номинальное напряжение обмотки НН (линейное, rms), В;
- Ток холостого хода, %;
- Номинальная частота, Гц;
Схема замещения:
- Сопротивление обмотки ВН [Xh, Rh], о.е. – параметры схемы замещения;
- Сопротивление обмотки НН [Xl, Rl], о.е. – параметры схемы замещения;
- Сопротивление ветви намагничивания [Xm, Rm], о.е. – параметры схемы замещения; значение сопротивлений нужно задавать для параллельного соединения R, L элементов;
Расчет параметров схемы замещения:
- Напряжение короткого замыкания ВН-НН1//НН2, %;
- Напряжение короткого замыкания НН1-НН2, %;
- Потери холостого хода, кВт;
- Потери короткого замыкания, кВт;
- Рассчитать параметры схемы замещения;
- Записать расчетные параметры в свойства;
- Сопротивление обмотки ВН [Xh, Rh], о.е. – расчетные значения;
- Сопротивление обмотки НН [Xl, Rl], о.е. – расчетные значения;
- Сопротивление ветви намагничивания [Xm1, Rm1], о.е. – расчетные значения;
Дополнительные:
- Схема и группа соединений;
- Вывод нейтрали ВН;
- Цвет ВН – устанавливает цвет УГО блока;
- Цвет НН – устанавливает цвет УГО блока;
- Метод расчета.
Расчетные параметры
- Номинальный ток обмотки ВН (rms), А;
- Номинальный ток обмотки НН (rms), А;
- Коэффициент трансформации.
Параметры
- Ток комплексный обмотки ВН [IA, IB, IC] (rms), А*;
- Ток обмотки ВН [IA, IB, IC] (rms/inst), А**;
- Ток комплексный обмотки НН1 [Ia, Ib, Ic] (rms), А*;
- Ток обмотки НН1 [Ia, Ib, Ic] (rms/inst), А**;
- Ток комплексный обмотки НН2 [Ia, Ib, Ic] (rms), А*;
- Ток обмотки НН2 [Ia, Ib, Ic] (rms/inst), А**.
*Отображает значение в комплексной форме при расчёте в комплексных числах; величина параметра равна нулю при расчёте в мгновенных значениях.
** Отображает действующее значение при расчёте в комплексных числах; мгновенное значение при расчёте в мгновенных значениях.

