ЭЦС - Трансформатор 1-фазный n-обмоточный
![]() |
![]() |
|Си| |
| в палитре | на схеме |
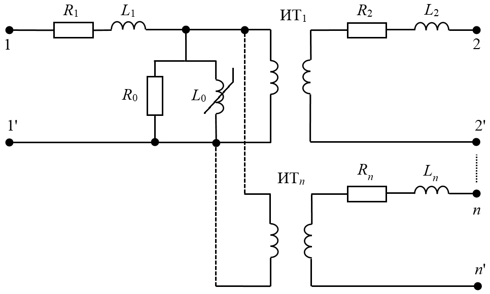
Блок реализует модель однофазного многообмоточного (n-обмоточного) трансформатора. Используется совместно c элементами библиотеки "ЭЦ - Статика (ЭЦС) 2.0".

- Rn, Ln – активное сопротивление и индуктивность рассеяния n-ой обмотки;
- R0, L0 – активное сопротивление и индуктивность цепи намагничивания;
- ИТn – идеальный трансформатор между первой и n-ой обмоткой.
Количество обмоток трансформатора определяется свойством блока и может быть равным от 2 до 10.
По умолчанию выводы обмоток добавляются с правой стороны блока, но свойством "Обмотки с выводами влево" можно переопределить сторону, указав массив номеров обмоток (выводы 1-ой обмотки таким способом переопределить нельзя, поскольку они и так расположены слева). Например, если установить свойство равным [3, 5], то выводы обмотки 3 и 5 будут располагаться слева блока.
Параметры схемы замещения трансформатора в свойствах блока задаются в именованных или относительных единицах.
При использовании относительных единиц необходимо задать два дополнительных свойства – номинальную мощность (Sном) и номинальную частоту (fном), при этом все сопротивления в свойствах указываются приведенными к 1-ой обмотке. Базисным напряжением является номинальное напряжение соответствующее n-ой обмотки (Unном).

Свойства блока, в которых указываются параметры обмоток являются векторами, размерность которых должна быть не менее количества обмоток (при большей размерности берутся в порядке очередности параметры только для указанного числа обмоток). Первому элементу вектора соответствуют параметры первой обмотки, второму - второй и т.д. Например, свойство "Сопротивление рассеяния обмоток [Xl], о.е." = [0.08, 0.04 , 0.04] означает, что сопротивление рассеяния первой обмотки равно 0,08 о.е, второй 0,04 о.е и третей 0,04 о.е.
За положительное направление токов принято от порта "n" к "n’".
Дополнительной опцией блока является возможность использования его для расчёта в мгновенных значениях (учитывается только действительная часть коэффициента трансформации).
Метод расчёта задается свойством "Метод расчета". При значении "Из настроек контейнера" будет использоваться метод, указанный в блоке "ЭЦС - Контейнер метода расчета", в который входит данный блок. Остальные значения позволяют задавать способ расчёта для блока вне зависимости от свойств контура.
Порты
- 1 – порт электрической связи 1-ой обмотки;
- 1’ – порт электрической связи 1-ой обмотки;
- 2 – порт электрической связи 2-ой обмотки;
- 2’ – порт электрической связи 2-ой обмотки;
- n – порт электрической связи n-ой обмотки (число портов зависит от количества обмоток);
- n’ – порт электрической связи n-ой обмотки (число портов зависит от количества обмоток).
Входные порты
Блок не имеет входных портов.
Выходные порты
Блок не имеет выходных портов.
Свойства
- Тип;
- Количество обмоток (от 2 до 10);
- Обмотки с выводами влево;
- Единицы измерения (Именованные/о.е.);
Именованные:
- Номинальные напряжения обмоток (rms), В;
- Индуктивности рассеяния обмоток [Ll], Гн (при именованных единицах измерения);
- Активные сопротивления обмоток [R], Ом (при именованных единицах измерения);
- Индуктивность и сопротивление ветви намагничивания [Lm, Rm], [Гн, Ом] (при именованных единицах измерения; значения нужно задавать для параллельного соединения R, L элементов);
Относительные единицы:
- Сопротивление рассеяния обмоток [Xl], о.е. (при относительных единицах измерения);
- Активные сопротивления обмоток [R], о.е (при относительных единицах измерения).
- Сопротивления ветви намагничивания [Xm, Rm], о.е. (при относительных единицах измерения; значения нужно задавать для параллельного соединения R, L элементов);
- Номинальная мощность, ВА (при относительных единицах измерения);
- Номинальная частота, Гц (при относительных единицах измерения).
Дополнительные:
- Цвет – устанавливает цвет УГО блока;
- Метод расчета.
Параметры
- Ток комплексный обмоток [I1, ..., In] (rms), А*;
- Ток обмоток [I1, ..., In] (rms/inst), А**;
*Отображает значение в комплексной форме при расчёте в комплексных числах; величина параметра равна нулю при расчёте в мгновенных значениях.
** Отображает действующее значение при расчёте в комплексных числах; мгновенное значение при расчёте в мгновенных значениях.

