ЭЦС - Трансформатор 1-фазный 2-обмоточный
![]() |
![]() |
|Си| |
| в палитре | на схеме |
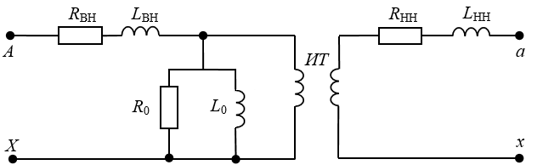
Блок реализует модель однофазного двухобмоточного трансформатора. Используется совместно c элементами библиотеки "ЭЦ - Статика (ЭЦС) 2.0".

- RВН, LВН, RНН, LНН – активные сопротивления и индуктивности обмоток высшего (ВН) и низшего (НН) напряжений;
- R0, L0 – активное сопротивление и индуктивность цепи намагничивания;
- ИТ – идеальный трансформатор.
Параметры схемы замещения трансформатора в свойствах блока задаются в относительных единицах.

Базисное сопротивление и индуктивность для параметров обмотки НН определяются с учетом номинального напряжения обмотки НН (Uном НН):

В блоке предусмотрена возможность расчета параметров схемы замещения по каталожным данным трансформатора. Для этого необходимо переместить курсор в поле "Значение" свойства "Рассчитать параметры схемы замещения" и нажать появившуюся кнопку.
Для записи рассчитанных значений в свойства модели необходимо нажать кнопку свойства "Записать расчетные параметры в свойства".

- полные сопротивления обмоток:

- активные сопротивления обмоток:

-
индуктивные сопротивления обмоток:

-
активное и полное сопротивления холостого хода:

-
активное сопротивление ветви намагничивания:

-
индуктивное сопротивление ветви намагничивания:

За положительное направление токов принято: для обмотки ВН от порта "A" к "X"; для обмотки НН от порта "x" к "a".
Дополнительной опцией блока является возможность использования его для расчёта в мгновенных значениях.
Метод расчёта задается свойством "Метод расчета". При значении "Из настроек контейнера" будет использоваться метод, указанный в блоке "ЭЦС - Контейнер метода расчета", в который входит данный блок. Остальные значения позволяют задавать способ расчёта для блока вне зависимости от свойств контура.
Порты
- A – порт электрической связи;
- X – порт электрической связи;
- a – порт электрической связи;
- x – порт электрической связи.
Входные порты
Блок не имеет входных портов.
Выходные порты
Блок не имеет выходных портов.
Свойства
Номинальные данные:
- Тип;
- Номинальная мощность, кВА;
- Номинальное напряжение обмотки ВН (линейное, rms), В;
- Номинальное напряжение обмотки НН (линейное, rms), В;
- Ток холостого хода, %;
- Номинальная частота, Гц;
Схема замещения:
- Сопротивление обмотки ВН [Xh, Rh], о.е. – параметры схемы замещения;
- Сопротивление обмотки НН [Xl, Rl], о.е. – параметры схемы замещения;
- Сопротивление ветви намагничивания [Xm, Rm], о.е. – параметры схемы замещения;
Расчет параметров схемы замещения:
- Напряжение короткого замыкания, %;
- Потери холостого хода, кВт;
- Потери короткого замыкания, кВт;
- Соотношение сопротивлений обмоток;
- Рассчитать параметры схемы замещения;
- Записать расчетные параметры в свойства;
- Сопротивление обмотки ВН [Xh, Rh], о.е. – расчетные значения;
- Сопротивление обмотки НН [Xl, Rl], о.е. – расчетные значения;
- Сопротивление ветви намагничивания [Xm, Rm], о.е. – расчетные значения;
Дополнительные:
- Цвет – устанавливает цвет УГО блока;
- Метод расчета.
Расчетные параметры
- Номинальный ток обмотки ВН (rms), А;
- Номинальный ток обмотки НН (rms), А;
- Коэффициент трансформации.
Параметры
- Ток комплексный обмотки ВН (rms), А*;
- Ток обмотки ВН (rms/inst), А**;
- Ток комплексный обмотки НН (rms), А*;
- Ток обмотки НН (rms/inst), А**.
*Отображает значение в комплексной форме при расчёте в комплексных числах; величина параметра равна нулю при расчёте в мгновенных значениях.
** Отображает действующее значение при расчёте в комплексных числах; мгновенное значение при расчёте в мгновенных значениях.

