ЭЦС - Трансформатор 3-фазный 2-обмоточный (1 л. сх.)
![]() |
![]() |
|Си| |
| в палитре | на схеме |
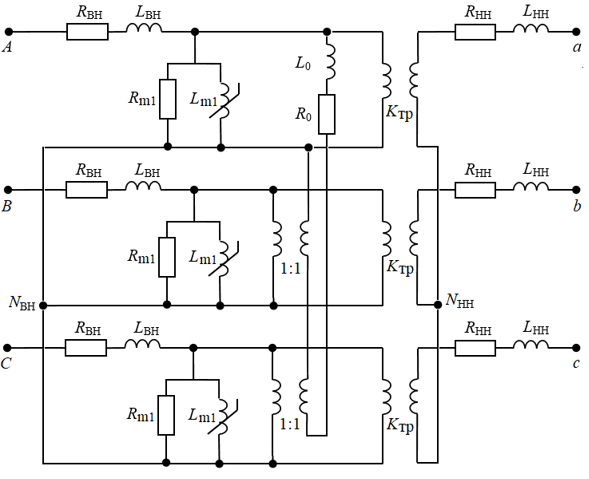
Блок реализует модель трехфазного двухобмоточного трансформатора. Используется совместно c элементами библиотеки "ЭЦ - Статика (ЭЦС) 2.0".
- Y(n)/Y(n)-0 (звезда/звезда - 0);
- Y(n)/D-11 (звезда/треугольник - 0);
- D/Y(n)-11 (треугольник /звезда - 0).
В схемах "звезда" наличие вывода средней точки обмотки устанавливается свойствами "Вывод нейтрали ВН" и "Вывод нейтрали НН", при этом обмотка высокого напряжения (ВН) соотносится с портом "1", а обмотка низкого напряжения (НН) с портом "2".
Неравенство сопротивлений намагничивания прямой и нулевой последовательности (для соответствующих схем соединений трансформатора) учитывается дополнительным контуром в схеме замещения с сопротивлением R0 и индуктивностью L0.

- RВН, LВН, RНН, LНН – активные сопротивления и индуктивности обмоток высшего (ВН) и низшего (НН) напряжений;
- Rm1, Lm1 – активное сопротивление и индуктивность намагничивания прямой последовательности;
- KТР – коэффициент трансформации.
Параметры схемы замещения трансформатора в свойствах блока задаются в относительных единицах.

где Ксх ВН – коэффициент схемы обмотки ВН.
Коэффициент схемы i-й обмотки Ксх i равен √3 при соединении i-й обмотки трансформатора в треугольник и 1 при соединении обмотки в звезду.




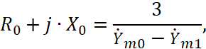
Параметры ветви намагничивания должны быть заданы таким образом, чтобы выполнялись условия: R0>0 и X0>0. Такое соотношение параметров соответствует превышению активного и индуктивного сопротивлений ветви намагничивания токам прямой последовательности над сопротивлениями токам нулевой последовательности.
В блоке предусмотрена возможность расчета параметров схемы замещения по каталожным данным трансформатора. Для этого необходимо переместить курсор в поле "Значение" свойства "Рассчитать параметры схемы замещения" и нажать появившуюся кнопку.
Для записи рассчитанных значений в свойства модели необходимо нажать кнопку свойства "Записать расчетные параметры в свойства".
Параметры схемы замещения в относительных единицах определяются следующим образом (соотношение сопротивлений обмоток высшего и низшего напряжения определяется обмоточным коэффициентом Кобм):
- полные сопротивления обмоток:

- активные сопротивления обмоток:

-
индуктивные сопротивления обмоток:

-
активное и полное сопротивления холостого хода:

-
активное сопротивление ветви намагничивания:

-
индуктивное сопротивление ветви намагничивания:

За положительное направление токов принято: для обмотки ВН направление в трансформатор через порт "1"; для обмотки НН направление из трансформатора через порт "2".
Дополнительной опцией блока является возможность использования его для расчёта в мгновенных значениях.
Метод расчёта задается свойством "Метод расчета". При значении "Из настроек контейнера" будет использоваться метод, указанный в блоке "ЭЦС - Контейнер метода расчета", в который входит данный блок. Остальные значения позволяют задавать способ расчёта для блока вне зависимости от свойств контура.
Порты
- 1 – порт трехфазной однолинейной электрической связи обмотки ВН;
- 2 – порт трехфазной однолинейной электрической связи обмотки НН;
- N1 – порт электрической связи нейтрали обмотки ВН (порт появляется при выборе значения "Да" свойства "Вывод нейтрали ВН");
- N2 – порт электрической связи нейтрали обмотки НН (порт появляется при выборе значения "Да" свойства "Вывод нейтрали НН").
Входные порты
Блок не имеет входных портов.
Выходные порты
Блок не имеет выходных портов.
Свойства
Номинальные данные:
- Тип;
- Номинальная мощность, кВА;
- Номинальное напряжение обмотки ВН (линейное, rms), В;
- Номинальное напряжение обмотки НН (линейное, rms), В;
- Ток холостого хода, %;
- Номинальная частота, Гц;
Схема замещения:
- Сопротивление обмотки ВН [Xh, Rh], о.е. – параметры схемы замещения;
- Сопротивление обмотки НН [Xl, Rl], о.е. – параметры схемы замещения;
- Сопротивление намагничивания прямой последовательности [Xm1, Rm1], о.е. – параметры схемы замещения; значение сопротивлений нужно задавать для параллельного соединения R, L элементов;
- Сопротивление намагничивания нулевой последовательности [Xm0, Rm0], о.е. – параметры схемы замещения значение сопротивлений нужно задавать для последовательного соединения R, L элементов;
Расчет параметров схемы замещения:
- Напряжение короткого замыкания, %;
- Потери холостого хода, кВт;
- Потери короткого замыкания, кВт;
- Соотношение сопротивлений обмоток;
- Рассчитать параметры схемы замещения;
- Записать расчетные параметры в свойства;
- Сопротивление обмотки ВН [Xh, Rh], о.е. – расчетные значения;
- Сопротивление обмотки НН [Xl, Rl], о.е. – расчетные значения;
- Сопротивление ветви намагничивания [Xm1, Rm1], о.е. – расчетные значения;
Дополнительные:
- Схема и группа соединений;
- Вывод нейтрали ВН;
- Вывод нейтрали НН;
- Цвет ВН – устанавливает цвет УГО блока;
- Цвет НН – устанавливает цвет УГО блока;
- Метод расчета.
Расчетные параметры
- Номинальный ток обмотки ВН (rms), А;
- Номинальный ток обмотки НН (rms), А;
- Коэффициент трансформации.
Параметры
- Ток комплексный обмотки ВН [IA, IB, IC] (rms), А*;
- Ток обмотки ВН [IA, IB, IC] (rms/inst), А**;
- Ток комплексный обмотки НН [Ia, Ib, Ic] (rms), А*;
- Ток обмотки НН [Ia, Ib, Ic] (rms/inst), А**.
*Отображает значение в комплексной форме при расчёте в комплексных числах; величина параметра равна нулю при расчёте в мгновенных значениях.
** Отображает действующее значение при расчёте в комплексных числах; мгновенное значение при расчёте в мгновенных значениях.

