ЭЦД2 - Транзистор биполярный силовой (BJT, инерционный)
![]() |
![]() |
|
| в палитре | на схеме |
Назначение
Блок используется для моделирования силового биполярного транзистора (BJT).
Описание
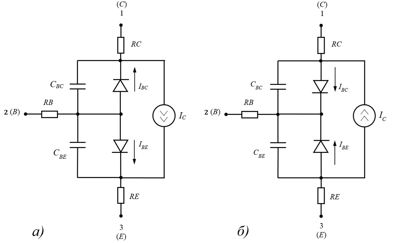
- нелинейные ёмкости база-коллектор CBC и база-эмиттер CBE
- нелинейный источник тока IC
- сопротивления коллектора RD, эмиттера RS и нелинейное сопротивление базы RB
- p-n-переходы коллектора и эмиттера с соответствующими токами IBC и IBE
Структурная схема модели биполярного транзистора представлена на рисунке 1.

Токи биполярного n-p-n транзистора определяется по следующим уравнениям (уравнения для p-n-p структуры аналогичны при учете направлений токов и полярности напряжений):
Ток перехода база-коллектор:
Ток перехода база-эмиттер:
Ток источника:
где:
Суммарные ёмкости переходов складываются из диффузионных и барьерных ёмкостей.
Ёмкость база-коллектор: СBC= GBC·TR + CJBC.
где: GBC – дифференциальная проводимость база-коллектор.
Барьерная ёмкость база-коллектор в зависимости от напряжения определяется как:
если то
иначе
Ёмкость база-эмиттер: СBC= CDBC + CJBE.
где: GBE – дифференциальная проводимость база-эмиттер.
Барьерная ёмкость база-эмиттер в зависимости от напряжения определяется как:
если то
иначе
В модели учитывается зависимость параметров от температуры T (в приведенных ниже уравнениях используется температура в К):
В DC режиме не учитываются инерционные свойства транзистора.
За положительное направление токов принято направление от порта «1» или «2» к порту «3».
Свойства
| Название | Имя | Описание (опционально) |
|---|---|---|
| Тип | Type | Текстовое описание, удобное для работы с каталогом оборудования. Рекомендуется указывать марку транзистора и, при необходимости, дополнительную информацию, например напряжение, ток. |
| Структура | Structure | Значения:
|
| Ток насыщения, А | IS | |
| Коэффициент усиления тока в нормальном режиме в схеме с ОЭ | BF | |
| Коэффициент эмиссии для нормального режима | NF | |
| Напряжение Эрли в нормальном режиме, В | VAF | |
| Ток начала спада зависимости BF от тока коллектора в нормальном режиме, А | IKF | |
| Ток насыщения утечки перехода база-эмиттер, А | ISE | |
| Коэффициент эмиссии тока утечки перехода база-эмиттер | NE | |
| Коэффициент усиления тока в инверсном режиме в схеме с ОЭ | BR | |
| Коэффициент эмиссии для инверсного режима | NR | |
| Напряжение Эрли в инверсном режиме, В | VAR | |
| Ток начала спада зависимости BR от тока эмиттера в инверсном режиме, А | IKR | |
| Ток насыщения утечки перехода база-коллектор, А | ISC | |
| Коэффициент эмиссии тока утечки перехода база-коллектор | NC | |
| Сопротивление коллектора, Ом | RC | |
| Сопротивление эмиттера, Ом | RE | |
| Сопротивление базы (максимальное), Ом | RB | |
| Минимальное сопротивление базы при больших токах, Ом | RBM | |
| Ток базы, при котором RB уменьшается на 50% полного перепада между RB и RBM, А | IRB | |
| Время переноса заряда через базу в активном режиме, сек | TF | |
| Ток, характеризующий зависимость TF от тока коллектора при больших токах, А | ITF | |
| Напряжение, характеризующее зависимость TF от смещения база-коллектор, В | VTF | |
| Коэффициент, определяющий зависимость TF от смещения база-коллектор | XTF | |
| Время переноса заряда через базу в инверсном режиме, сек | TR | |
| Емкость коллекторного перехода, Ф | CJC | |
| Коэффициент плавности коллекторного перехода | MJC | |
| Контактная разность потенциалов коллекторного перехода, В | VJC | |
| Емкость эмиттерного перехода, Ф | CJE | |
| Коэффициент плавности эмиттерного перехода | MJE | |
| Контактная разность потенциалов эмиттерного перехода, В | VJE | |
| Коэффициент нелинейности барьерных емкостей прямосмещённых переходов | FC | |
| Ширина запрещенной зоны, эВ | EG | |
| Коэффициенты температурной зависимости EG, [TEG1, TEG2] | TEG | Массив из 2-х элементов |
| Температурный коэффициент коэффициентов усиления BF и BR, 1/°С | XTB | |
| Температурный экспоненциальный коэффициент тока насыщения IS | XTI | |
| Номинальная температура, °С | Tnom | |
| Температура, °С | T | |
| Сопротивление утечки перехода, Ом | RL | |
| Ток начала линейности ВАХ, А | Iexplim | |
| DC режим | DCmod | Значения: Да/Нет |
Параметры
| Название | Имя | Описание (опционально) |
|---|---|---|
| Ток коллектора, А | Ic_par | |
| Ток базы, А | Ib_par |
Порты
| Имя | Описание | Тип линии связи |
|---|---|---|
| Входные порты | ||
| Блок не имеет входных портов. | ||
| Выходные порты | ||
| Блок не имеет выходных портов. | ||
| Ненаправленные порты | ||
| 1 | Порт для подключения блока к электрической цепи. Коллектор | Электрическая |
| 2 | Порт для подключения блока к электрической цепи. База | Электрическая |
| 3 | Порт для подключения блока к электрической цепи. Эмиттер | Электрическая |
Примеры
- Demo\Электрика\ЭЦ-Динамика v 2\Полупроводниковые приборы\Транзистор биполярный\BJT npn (dc mode).prt
- Demo\Электрика\ЭЦ-Динамика v 2\Полупроводниковые приборы\Транзистор биполярный\BJT npn (switch mode).prt

