Упаковка битов
![]() |
![]() |
| Векторный | Си | |
| в палитре | на схеме |
Описание
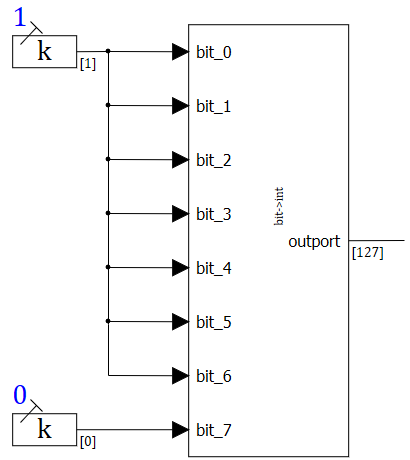
Блок осуществляет конвертацию числа в двоичной форме заданной разрядности в десятичное целое число. Например:
01111111 → 127

В нумерации битов более старшие биты имеют больший порядковый номер.
Порты
Количество входных скалярных или векторных портов задается в свойствах блока. Блок векторизован. Размерности всех входных портов должны совпадать. Выходной порт один со скалярным или векторным целочисленным сигналом. Размерность выходного сигнала совпадает с размерностью входных сигналов.
Свойства
| Название | Имя | Описание | По умолчанию | Тип данных |
|---|---|---|---|---|
| Номера записываемых битов | bit_nums | Задает номера записываемых битов - количество входных портов и порядок следования битов в числе. | 0..31 | Целый массив |
Параметры
Блок не имеет параметров.

