ЭЦС – Трансформатор силовой двухобмоточный с РПН





в палитре на схеме

Блок реализует модель силового двухобмоточного трансформатора с устройством регулирования под нагрузкой (РПН). Предназначен для использования в трехфазных однолинейных электрических схемах в "контуре переменного тока".

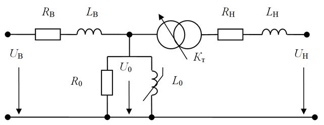
Расчетная схема

Модель блочного двухобмоточного трансформатора с РПН основана на Т-образной схеме замещения с переменным коэффициентом трансформации, приведенной на рисунке 1. Модель выполнена по прямой последовательности и обеспечивает расчет действующих значений токов, напряжений и мощностей.


Рис. 1. Схема замещения двухобмоточного трансформатора c РПН
Эффект намагничивания трансформатора моделируется приближенно в соответствии с РД 153-34.3-35.125-99 "Руководство по защите электрических сетей 6-1150 кВ от грозовых и внутренних перенапряжений", если свойство "Характеристика намагничивания" установлено в "Да". Если характеристика намагничивания не моделируется, то L0 является постоянной величиной. Предполагается, что РПН установлено в обмотке высшего напряжения трансформатора.

Порты

  • Обмотка ВН;
  • Обмотка НН;
  • От РПН (порт для подключения модели РПН).

Свойства

  • Тип;
  • Номинальная мощность, кВА;
  • Номинальное напряжение обмотки ВН, кВ;
  • Номинальное напряжение обмотки НН, кВ;
  • Потери холостого хода, кВт;
  • Потери короткого замыкания, кВт;
  • Напряжение короткого замыкания, %;
  • Ток холостого хода, %;
  • Номинальная частота, Гц;
  • Характеристика намагничивания (Да/Нет).

Расчетные свойства для справки пользователю:

  • Номинальный ток обмотки ВН, А;
  • Номинальный ток обмотки НН, А;
  • Номинальный ток холостого хода, А;
  • Коэффициент трансформации.

Параметры

  • Ток обмотки ВН, А;
  • Ток обмотки НН, А;
  • Активная мощность обмотки ВН, кВт;
  • Реактивная мощность обмотки ВН, кВАр;
  • Полная мощность обмотки ВН, кВА;
  • Активная мощность обмотки НН, кВт;
  • Реактивная мощность обмотки НН, кВАр;
  • Полная мощность обмотки НН, кВА.

Сопутствующие материалы

Материалов нет.