ЭЦС – Трансформатор силовой двухобмоточный





в палитре на схеме

Блок реализует модель силового двухобмоточного трансформатора. Предназначен для использования в трехфазных однолинейных электрических схемах в "контуре переменного тока".

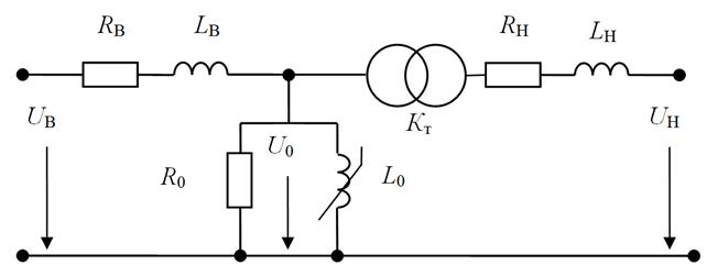
Расчетная схема

Модель блочного двухобмоточного трансформатора основана на Т-образной схеме замещения, приведенной на рисунке 1. Модель выполнена по прямой последовательности и обеспечивает расчет действующих значений токов, напряжений и мощностей.


Рис. 1. Схема замещения двухобмоточного трансформатора

Эффект намагничивания трансформатора моделируется приближенно в соответствии с РД 153-34.3-35.125-99 "Руководство по защите электрических сетей 6-1150 кВ от грозовых и внутренних перенапряжений", если свойство "Характеристика намагничивания" установлено в "Да". Если характеристика намагничивания не моделируется, то L0 является постоянной величиной.

Порты

  • Обмотка ВН.
  • Обмотка НН.

Свойства

  • Тип;
  • Номинальная мощность, кВА;
  • Номинальное напряжение обмотки ВН, кВ;
  • Номинальное напряжение обмотки НН, кВ;
  • Потери холостого хода, кВт;
  • Потери короткого замыкания, кВт;
  • Напряжение короткого замыкания, %;
  • Ток холостого хода, %;
  • Номинальная частота, Гц;
  • Характеристика намагничивания (Да/Нет).

Расчетные свойства для справки пользователю:

  • Номинальный ток обмотки ВН, А;
  • Номинальный ток обмотки НН, А;
  • Номинальный ток ХХ, А;
  • Коэффициент трансформации.

Параметры

  • Ток обмотки ВН, А;
  • Ток обмотки НН, А;
  • Активная мощность обмотки ВН, кВт;
  • Реактивная мощность обмотки ВН, кВАр;
  • Полная мощность обмотки ВН, кВА;
  • Активная мощность обмотки НН, кВт;
  • Реактивная мощность обмотки НН, кВАр;
  • Полная мощность обмотки НН, кВА.

Сопутствующие материалы

Материалов нет.