ЭЦС – Трансформатор силовой двухобмоточный с расщеплённой обмоткой НН и РПН





в палитре на схеме

Блок реализует модель силового двухобмоточного трансформатора с расщепленной обмоткой низшего напряжения и устройством регулирования под нагрузкой (РПН). Предназначен для использования в трехфазных однолинейных электрических схемах в "контуре переменного тока".

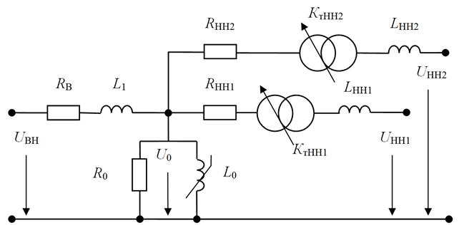
Расчетная схема

Модель двухобмоточного трансформатора с расщепленной обмоткой низшего напряжения и РПН основана на Т-образной трехлучевой схеме замещения с переменными коэффициентами трансформации, приведенной на рисунке 1. Модель выполнена по прямой последовательности и обеспечивает расчет действующих значений токов, напряжений и мощностей.


Рис. 1. Схема замещения двухобмоточного трансформатора c расщепленной обмоткой низшего напряжения
Эффект намагничивания трансформатора моделируется приближенно в соответствии с РД 153-34.3-35.125-99 "Руководство по защите электрических сетей 6-1150 кВ от грозовых и внутренних перенапряжений", если свойство "Характеристика намагничивания" установлено в "Да". Если характеристика намагничивания не моделируется, то L0 является постоянной величиной. В модели предполагается следующее соотношение номинальных мощностей обмоток: SНН1 = SНН2 = 0,5 Sном; SВН = Sном. Предполагается, что РПН установлено в обмотке высшего напряжения трансформатора. Установка активных сопротивление обмоток низкого напряжения со стороны высокого напряжения обусловлена спецификой модели идеального трансформатора и использована для сокращения числа узлов модели.

Порты

  • Обмотка ВН;
  • Обмотка НН1;
  • Обмотка НН2;
  • От РПН (вход для подключения модели РПН).

Свойства

  • Тип;
  • Номинальная мощность, кВА;
  • Номинальное напряжение обмотки ВН, кВ;
  • Номинальное напряжение обмотки НН1, кВ;
  • Номинальное напряжение обмотки НН2, кВ;
  • Потери холостого хода, кВт;
  • Потери короткого замыкания, кВт;
  • Напряжение короткого замыкания ВН-НН1//НН2, %;
  • Напряжение короткого замыкания НН1-НН2, %;
  • Ток холостого хода, %;
  • Номинальная частота, Гц;
  • Характеристика намагничивания (Да/Нет).

Расчетные свойства для справки пользователю:

  • Номинальный ток обмотки ВН, А;
  • Номинальный ток обмотки НН1, А;
  • Номинальный ток обмотки НН2, А;
  • Номинальный ток ХХ, А;
  • Коэффициент трансформации обмотки НН1;
  • Коэффициент трансформации обмотки НН2.

Параметры

  • Ток обмотки ВН, А;
  • Ток обмотки НН1, А;
  • Ток обмотки НН2, А;
  • Активная мощность обмотки ВН, кВт;
  • Реактивная мощность обмотки ВН, кВАр;
  • Полная мощность обмотки ВН, кВА;
  • Активная мощность обмотки НН1, кВт;
  • Реактивная мощность обмотки НН1, кВАр;
  • Полная мощность обмотки НН1, кВА;
  • Активная мощность обмотки НН2, кВт;
  • Реактивная мощность обмотки НН2, кВАр;
  • Полная мощность обмотки НН2, кВА.

Сопутствующие материалы

Материалов нет.