ЭЦС – Автотрансформатор силовой трехобмоточный с РПН
![]() |
![]() |
|
| в палитре | на схеме |
Блок реализует модель силового трехобмоточного автотрансформатора с устройством регулирования под нагрузкой (РПН). Предназначен для использования в трехфазных однолинейных электрических схемах в "контуре переменного тока".
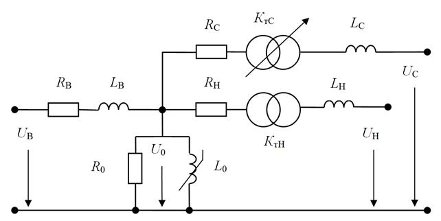
Расчетная схема

Эффект намагничивания трансформатора моделируется приближенно в соответствии с РД 153-34.3-35.125-99 "Руководство по защите электрических сетей 6-1150 кВ от грозовых и внутренних перенапряжений". Установка активных сопротивление обмоток низкого напряжения со стороны высокого напряжения обусловлена спецификой модели идеального трансформатора и использована для сокращения числа узлов модели. В свойствах модели потери короткого замыкания для сочетаний обмоток ВН-НН и СН-НН должны быть приведены к номинальной мощности обмотки низшего напряжения. Предполагается, что РПН установлено в линии среднего напряжения автотрансформатора.
Порты
- Напряжение на обмотке высшего напряжения, UВ, В.
- Напряжение на обмотке среднего напряжения, UС, В.
- Напряжение на обмотке низшего напряжения, UН, В.
- Вход для подключения модели РПН.
Свойства
- Тип трансформатора;
- Номинальная мощность, кВА;
- Номинальная мощность обмотки НН, кВА;
- Номинальное напряжение стороны ВН, кВ;
- Номинальное напряжение стороны СН, кВ;
- Номинальное напряжение обмотки НН, кВ;
- Потери холостого хода, кВт;
- Потери короткого замыкания ВН-СН, кВт;
- Потери короткого замыкания ВН-НН, кВт;
- Потери короткого замыкания СН-НН, кВт;
- Напряжение короткого замыкания ВН-CН, %;
- Напряжение короткого замыкания ВН-НН, %;
- Напряжение короткого замыкания СН-НН, %;
- Ток холостого хода, %;
- Номинальная частота, Гц;
Расчетные свойства для справки пользователю:
- Номинальный ток стороны ВН, А;
- Номинальный ток стороны СН, А;
- Номинальный ток обмотки НН, А;
- Номинальный ток холостого хода, А;
- Коэффициент трансформации ВН-СН;
- Коэффициент трансформации ВН-НН.
Параметры
- Ток стороны ВН, А;
- Ток стороны СН, А;
- Ток обмотки НН, А;
- Активная мощность стороны ВН, кВт;
- Реактивная мощность стороны ВН, кВАр;
- Полная мощность стороны ВН, кВА;
- Активная мощность стороны СН, кВт;
- Реактивная мощность стороны СН, кВАр;
- Полная мощность стороны СН, кВА;
- Активная мощность обмотки НН, кВт;
- Реактивная мощность обмотки НН, кВАр;
- Полная мощность обмотки НН, кВА.
Сопутствующие материалы
- Автотрансформатор силовой трехобмоточный с РПН
- Схема типового блока электростанции (упрощенная)

