ЭЦД - Инвертор 3-фазный мостовой (IGBT+диод+снаббер)
![]() |
![]() |
|
| в палитре | на схеме |
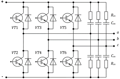
Блок реализует схему трехфазного мостового инвертора на IGBT транзисторах с демпфирующими RC-цепочками (снаббером) и противовключенными диодами. Предназначен для использования в цепях c элементами библиотеки ЭЦ - Динамика (ЭЦД).
Схема трехфазного мостового инвертора на IGBT транзисторах с демпфирующими RC-цепочками и противовключенными диодами, приведена на рисунке 1. Схема базируется на модели: ЭЦД - Диод и ЭЦД - Транзистор IGBT.

На порт УИ подается вектор управляющих сигналов транзисторами. Размерность вектора равна шести. Сигналы подаются на транзисторы с соответствующими номерами. В качестве генератора управляющих импульсов может использоваться блок ЭЦД - Генератор ШИМ ("классический") или ЭЦД - Генератор ШИМ (с гистерезисной модуляцией).
В зависимости от свойства "Вид снаббера" параллельно каждому транзистору включена R-цепь или RC-цепь.
Входные порты
-
a;
-
b;
-
c;
-
+;
-
-;
-
УИ.
Выходные порты
Блок не имеет выходных портов.
Свойства
- Сопротивление транзистора в прямом направлении, Ом;
- Падение напряжения транзистора в прямом направлении, В;
- Сопротивление диода в прямом направлении, Ом;
- Падение напряжения диода в прямом направлении, В;
- Вид снаббера (R-снаббер/RC-снаббер);
- Сопротивление снаббера, Ом;
- Ёмкость снаббера, Ф.
Параметры
Блок не имеет параметров.

