ЭЦД - Выпрямитель 3-фазный полумостовой (тиристор+снаббер)
![]() |
![]() |
|
| в палитре | на схеме |
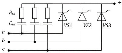
Блок реализует схему трехфазного полумостового тиристорного выпрямителя с демпфирующими RC-цепочками (снаббером). Предназначен для использования в цепях c элементами библиотеки ЭЦ - Динамика (ЭЦД). Схема трехфазного полумостового тиристорного выпрямителя с демпфирующими RC-цепочками, приведена на рисунке 1. Схема базируется на модели: ЭЦД - Тиристор силовой.

На порт УИ подается вектор управляющих сигналов тиристорами. Размерность вектора равна шести, но используются только 1, 3 и 5 сигналы, подающиеся на тиристоры с номером 1, 2, 3 соответственно. В качестве генератора управляющих импульсов может использоваться блок ЭЦД - Генератор импульсов (3-фазный, 6-пульсный).
В зависимости от свойства "Вид снаббера" параллельно каждому тиристору включена R-цепь или RC-цепь.
Входные порты
- a;
- b;
- c;
- +;
- УИ.
Выходные порты
Блок не имеет выходных портов.
Свойства
- Сопротивление в прямом направлении, Ом;
- Падение напряжения в прямом направлении, В;
- Вид снаббера (R-снаббер/RC-снаббер);
- Сопротивление снаббера, Ом;
- Ёмкость снаббера, Ф.
Параметры
Блок не имеет параметров.

