ЭЦС - Измеритель линейных напряжений идеальный 3-фазный (1 л. сх.)
![]() |
![]() |
|Си| |
| в палитре | на схеме |
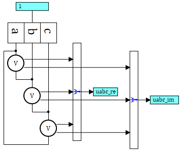
Блок используется для измерения действующих значений линейных напряжений в трёхфазной однолинейной цепи. Используется совместно c элементами библиотеки "ЭЦ - Статика (ЭЦС) v2.0".
На порт uabc_re блока выводятся действительные составляющие напряжений в вольтах: [uABre, uBCre, uCAre], на порт uabc_im - мнимые составляющие напряжений в вольтах: [uABim, uBCim, uCAim].

Дополнительной опцией блока является возможность использования его для расчёта в мгновенных значениях. Метод расчёта задается свойством "Метод расчета". При значении "Из настроек контейнера" будет использоваться метод, указанный в блоке "ЭЦС - Контейнер метода расчета", в который входит данный блок. Остальные значения позволяют задавать способ расчёта для блока вне зависимости от свойств контура. При проведении расчёта в мгновенных значениях напряжение выводится на порт uabc_re.
Положительные напряжения вольтметра соответствуют превышению потенциалов фазы А над потенциалом фазы В, B над C и C над A.
Порты
- 1 – порт трёхфазной однолинейной электрической связи.
Входные порты
Блок не имеет входных портов.
Выходные порты
- uabc_re – порт выхода математической связи вывода действительных составляющих напряжений;
- uabc_im – порт выхода математической связи вывода мнимых составляющих напряжений.
Свойства
- Цвет – устанавливает цвет УГО блока;
- Шрифт – устанавливает шрифт текста УГО блока;
- Метод расчета.
Параметры
- Напряжение комплексное [Uab, Ubc, Uca] (rms), В*;
- Напряжение [Uab, Ubc, Uca] (rms/inst), В**.
*Отображает значение в комплексной форме при расчёте в комплексных числах; величина параметра равна нулю при расчёте в мгновенных значениях.
** Отображает действующее значение при расчёте в комплексных числах; мгновенное значение при расчёте в мгновенных значениях

