ЭЦД - Сопротивление активно-индуктивное

в палитре на схеме
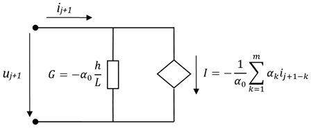
Блок реализует модель активно-индуктивного сопротивления, то есть последовательного соединения идеальной индуктивности и идеального активного сопротивления. Используется в цепях c элементами библиотеки "Электрика". Модель идеальной основана на дискретной токовой модели для метода обратного дифференцирования (BDF), структура которой представлена на рисунке 1.


Рис. 1. Дискретная токовая модель индуктивности для метода BDF
u, i – мгновенные значения напряжения и тока; j – индекс текущего шага; h – значение текущего шага; m – порядок метода BDF; α – коэффициенты, заранее определяемые для m; G, I – проводимость и ток дискретной модели; L – заданное в свойствах блока значение индуктивности, Гн. Порядок метода интегрирования задается свойством слоя "Автоматика" BDF_order_LC.

Входные порты

  • Вход цепь 1;
  • Вход цепь 2.

Выходные порты

Блок не имеет выходных портов.

Свойства

  • Сопротивление, Ом;
  • Сопротивление, Ом.

Параметры

Блок не имеет параметров.

Связанные страницы