ЭЦД2 - ФАПЧ 3-фазный
![]() |
![]() |
|
| в палитре | на схеме |
Назначение
Блок используется для моделирования устройства фазовой автоподстройки частоты для трехфазного сигнала.
Описание
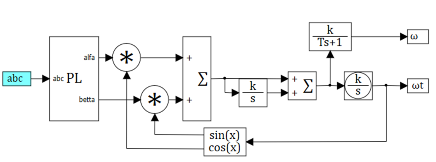
Структура модели устройства фазовой автоподстройки частоты трехфазного сигнала показана на рисунке 1.

Блок служит для определения функции угла (ωt) трехфазного синусоидального сигнала, который используется, например, в блоке «ЭЦД2 - Генератор импульсов (3-фазный, 6-пульсный)». Угол изменяется в диапазоне от 0 до 2π, причем значение 0 соответствует началу положительной полуволны входного сигнала фазы А, поданного на порт «abc».
Трехфазный сигнал преобразуется к αβ-координатам. После пи-регулятора (PI) представляет собой радиальную частоту входного сигнала, а после интегрирования угол.
Скорость и точность определения угла сильно зависит от настроек блока. На первом периоде входного сигнала значение угла (ωt) может значительно расходиться с реальным значением.
Свойства
| Название | Имя | Описание (опционально) |
|---|---|---|
| Нормировочный коэффициент | Knorm | Как правило, задается таким, чтобы максимальное значение сигнала соответствовало значению 1 |
| Коэффициент усиления Kp | Kp | |
| Коэффициент усиления Ki | Ki | |
| Постоянная времени ФНЧ, с | Fm | |
| Начальная радиальная частота, 1/с | w0 | |
| Начальный угол, град | g0 |
Параметры
Блок не имеет параметров.
Порты
| Имя | Описание | Тип линии связи |
|---|---|---|
| Входные порты | ||
| abc | Внешний периодический сигнал. Вектор размерностью 3, соответствует трехфазной системе АВС. |
Математическая |
| Выходные порты | ||
| ω | Радиальная частота, 1/с |
Математическая |
| ωt | Угол, рад, в диапазоне от 0 до 2π |
Математическая |
| Ненаправленные порты | ||
| Блок не имеет ненаправленных портов. | ||
Примеры
- Demo\Электрика\ЭЦ-Динамика v 2\Полупроводниковые преобразователи\Выпрямители\Тиристорный 3-фазный полумостовой.prt

