ЭЦД - Трансформатор 1-фазный 2-обмоточный с отводом от середины обмотки НН
![]() |
![]() |
|
| в палитре | на схеме |
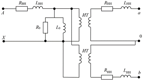
Блок реализует модель однофазного двухобмоточного трансформатора с отводом от середины. Предназначен для использования в цепях c элементами библиотеки ЭЦ - Динамика (ЭЦД). Модель 1-фазного 2-обмоточного трансформатора с отводом от середины основана на Т-образной схеме замещения, приведенной на рисунке 1.

Для корректной работы схемы, содержащей идеальный трансформатор выводы X и 0 трансформатора соединены с узлом нулевого потенциала через активные сопротивления значением 1012 Ом.
Параметры трансформатора в свойствах блока заданы в относительных единицах.
Базисное сопротивление и индуктивность для параметров обмотки ВН и цепи намагничивания определяются через номинальное значение напряжение обмотки ВН (Uном ВН), номинальную мощность (Sном) и номинальную частоту (fном):

Базисное сопротивление и индуктивность для параметров обмотки НН определяются аналогично, но с учетом соответствующего номинального напряжения (Uном НН):

Входные порты
- A;
- X;
- a;
- b;
- 0.
Выходные порты
Блок не имеет выходных портов.
Свойства
- Номинальная мощность, ВА;
- Номинальное напряжение обмотки ВН, В;
- Номинальное напряжение обмотки НН, В;
- Номинальная частота, Гц;
- Индуктивное сопротивление обмотки ВН, о.е;
- Активное сопротивление обмотки ВН, о.е.;
- Индуктивное сопротивление обмотки НН, о.е.;
- Активное сопротивление обмотки НН, о.е.;
- Индуктивное сопротивление намагничивания, о.е.;
- Активное сопротивление намагничивания, о.е.
Параметры
- Номинальный ток обмотки ВН, А;
- Номинальный ток обмотки НН, А;
- Коэффициент трансформации.

