ЭЦД2 - Вольтметр 3-фазный (1 л. сх.)
![]() |
![]() |
|
| в палитре | на схеме |
Назначение
Блок используется для измерения мгновенного значения напряжений между узлами в трехфазной однолинейной схеме c элементами библиотеки «ЭЦ-Динамика».
Описание
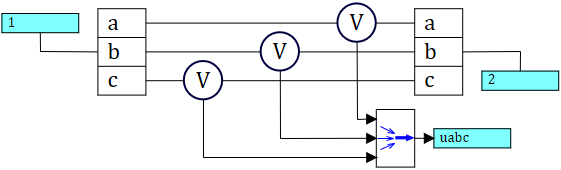
Блок представляет собой 3 однофазных вольтметра и имеет структуру, представленную на рисунке 1.

На порт uabc блока выводится вектор мгновенных значений напряжений: .
Положительное напряжение вольтметра соответствует превышению потенциала узла, подключенному к порту «1» (+), над потенциалом узла, подключенного к порту «2» (–).
Свойства
Блок не имеет свойств.
Параметры
| Название | Имя | Описание (опционально) |
|---|---|---|
| Напряжение [Uab, Ubc, Uca], В | Uabc_par | Массив размерностью 3. Значения напряжений между узлами для фаз А,В,С соответственно. |
Порты
| Имя | Описание | Тип линии связи |
|---|---|---|
| Входные порты | ||
| Блок не имеет входных портов. | ||
| Выходные порты | ||
| uabc | Значения напряжений между узлами для фаз А,В,С соответственно (массив размерностью 3). |
Математическая |
| Ненаправленные порты | ||
| 1 | Порт для подключения блока к трехфазной однолинейной электрической цепи |
Электрическая (однолинейная трехфазная именованная: a, b, c) |
| 2 | Порт для подключения блока к трехфазной однолинейной электрической цепи |
Электрическая (однолинейная трехфазная именованная: a, b, c) |
Примеры
- Demo\Электрика\ЭЦ-Динамика v 2\ИзмерителиВольтметр 3-фазный (1 л. сх.).prt
- Demo\Электрика\ЭЦ-Динамика v 2\RLC\RLC-цепь 3-фазная (1 л. сх.) одиночные.prt

