ЭЦД2 - Трансформатор тока
![]() |
![]() |
|
| в палитре | на схеме |
Назначение
Блок используется для моделирования двухобмоточного трансформатора тока.
Описание
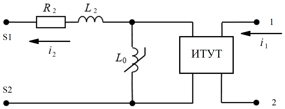
Модель 2-обмоточного трансформатора тока (ТТ) основана на схеме замещения, приведенной на рисунке 1. Параметры первичной обмотки не учитываются.

- R2, L2 – активные сопротивления и индуктивность вторичной обмотки
- L0 – цепи намагничивания
- ИТУТ – источник тока управляемый током
Из-за применения ИТУТ вторичные цепи ТТ отделены от общей схемы и не влияют на расчеты в первичной схеме.
Параметры схемы замещения трансформатора в свойствах блока задаются в именованных единицах.
Коэффициент трансформации определятся выражением:
При значении свойства «Способ задания характеристики» равному «Lm, Rm» нелинейный характер цепи намагничивания не учитывается, и ветвь намагничивания представляется параллельной RL-цепью с постоянными параметрами Lm и Rm.
Нелинейная характеристика может быть задана аппроксимирующей функцией тока от потокосцепления в мгновенных значениях iμ(φ) или кусочно-линейной функцией, что определяется значением свойства «Способ задания характеристики».
Аппроксимирующей функцией является следующее выражение:
- iµ – мгновенное значение тока намагничивания
- φ- мгновенное значение потокосцепления
- a, b, c – коэффициенты, задаваемые в свойствах блока
Для кусочно-линейной функции размерность векторов тока [iμ] и потокосцепления [φ] должна быть одинаковой.
Гистерезис в модели не учитывается.
Для процесса, исследуемого сразу при запуске проекта на расчет, учитывается заданное не нулевое значение остаточного потока. Но, если предварительно был нормальный режим, а режим с насыщением (короткое замыкание в первичной цепи) произойдет спустя время, то остаточный поток не будет учтен корректно.
В силу крайне нелинейной характеристики намагничивания использование блока ТТ может привести к необходимости уменьшения шага проекта, особенно при применении кусочно-линейной функции.
- для первичной обмотки от порта «1» к «2»
- для вторичной обмотки вытекающий из порта «S1»
Свойства
| Название | Имя | Описание (опционально) |
|---|---|---|
| Тип | Type | Текстовое описание, удобное для работы с каталогом оборудования. Рекомендуется указывать стандартный тип трансформатора тока и при необходимости дополнительную информаци. |
| Номинальный первичный ток, А | I1nom | |
| Номинальный вторичный ток, А | I2nom | |
| Номинальная частота, Гц | fnom | |
| Активное сопротивление вторичной обмотки, Ом | R2 | |
| Индуктивное сопротивление вторичной обмотки, Ом | X2 | |
| Способ задания характеристики | type_mag | Значения:
|
| Ток намагничивания, А [iμ] | Im | Применимо только для кусочно-линейной характеристики. Задается в виде массива, содержащего значения токов намагничивания |
| Потокосцепление, Вб [φ] | Psi | Применимо только для кусочно-линейной характеристики. Задается в виде массива, содержащего значения потокосцеплений для заданных токов намагничивания свойства Impu |
| Коэффициенты [a, b, c] функции iµ(φ) = a·sinh(b·φ)+c·φ | im_sinh | Применимо только для функции sinh |
| Остаточное потокосцепление, Вб | Psi0 | |
| Rm, Ом | Rm | Применимо только для характеристики «Lm, Rm». Соответствует сопротивлению намагничивания. Задается для параллельного соединения с индуктивностью намагничивания. |
| Lm, Гн | Lm | Применимо только для характеристики «Lm, Rm». Соответствует индуктивности намагничивания |
Параметры
| Название | Имя | Описание (опционально) |
|---|---|---|
| Первичный ток, А | I1_par | |
| Вторичный ток, А | I2_par |
Порты
| Имя | Описание | Тип линии связи |
|---|---|---|
| Входные порты | ||
| Блок не имеет входных портов. | ||
| Выходные порты | ||
| Блок не имеет выходных портов. | ||
| Ненаправленные порты | ||
| 1 | Порт для подключения блока к электрической цепи. Вывод первичной обмотки |
Электрическая |
| 2 | Порт для подключения блока к электрической цепи. Вывод первичной обмотки |
Электрическая |
| S1 | Порт для подключения блока к электрической цепи. Вывод вторичной обмотки |
Электрическая |
| S2 | Порт для подключения блока к электрической цепи. Вывод вторичной обмотки |
Электрическая |
Примеры
- Demo\Электрика\ЭЦ-Динамика v 2\Трансформаторы измерительные\Трансформатор тока.prt

