ЭЦД2 - Трансформатор 3-фазный 2-обмоточный с расщепленной обмоткой НН (1 л. сх.)
![]() |
![]() |
|
| в палитре | на схеме |
Назначение
Блок используется для моделирования трехфазного двухобмоточного трансформатора c расщепленной обмоткой низшего напряжения.
Описание
Модель 3-фазного 2-обмоточного трансформатора с расщепленной обмоткой низшего напряжения основана на Т-образной схеме замещения, дублируемой для каждой фазы трансформатора.
В зависимости от свойства «Схема и группа соединений» можно задать следующие схемы и группы соединений:
- Y(n)/D-D-11-11 (звезда/треугольник-треугольник – 11-11)
- Y(n)/D-Y-11-0 (звезда/треугольник- звезда – 11-0)
- D/D-D-0-0 (треугольник/треугольник - треугольник – 0-0)
- D/D-Y-0-11(треугольник/треугольник - звезда – 0-11)
В обмотке высшего напряжения для схемы «звезда» наличие вывода средней точки обмотки устанавливается свойством «Вывод нейтрали ВН».
Обмотка высшего напряжения (ВН) соотносится с портом «1», обмотка низкого напряжения (НН1) с портом «2», обмотка низкого напряжения (НН2) с портом «3».
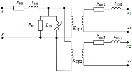
Схема замещения фазы А трансформатора приведена на рисунке 1.

- RВН, LВН – активное сопротивление и индуктивность обмотки ВН
- RНН1, LНН1 – активное сопротивление и индуктивность обмотки НН1
- RНН2, LНН2 – активное сопротивление и индуктивность обмотки НН2
- Rm, L m – активное сопротивление и индуктивность намагничивания
- K тр1 – коэффициент трансформации обмоток ВН-НН1
- K тр2 – коэффициент трансформации обмоток ВН-НН2
Параметры схемы замещения трансформатора в свойствах блока задаются в относительных единицах.
Базисное сопротивление и индуктивность для параметров обмотки ВН и цепей намагничивания определяются через номинальное значение напряжения обмотки ВН Uном ВН, номинальную мощность Sном и номинальную частоту fном:
где Kсх ВН – коэффициент схемы обмотки ВН.
Коэффициент схемы i-й обмотки Kсх i равен при соединении i-й обмотки трансформатора в треугольник и 1 при соединении обмотки в звезду.
Базисное сопротивления и индуктивности для параметров обмоток НН1 и НН2 определяются с учетом номинального напряжения обмотки НН1 Uном НН1 и НН2 Uном НН2:
Коэффициенты трансформации, соответствующие схеме замещения на рисунке 1 для пар обмоток ВН-НН1 и ВН-НН2 определятся выражениями:
В модели предусмотрена возможность учета нелинейного характера ветви намагничивания трансформатора, которая может быть включена выбором значения «Да» свойства блока «Учитывать характеристику намагничивания».
Характеристика намагничивания может быть задана двумя способами: полиномиальной функцией тока намагничивания от потокосцепления в мгновенных значениях или кусочно-линейной функцией. Вариант ее задания определяется выбором значения из выпадающего списка свойства «Способ задания характеристики намагничивания».
Функция задается полиномом N-ой степени (степени должны быть нечетные и обязательно присутствовать 1-я степень). Для трансформатора по умолчанию используется типовая характеристика намагничивания:
Базисное напряжение характеристики намагничивания равно фазному амплитудному значению и определяется по следующей формуле:
Базисный ток характеристики намагничивания равен:
где - коэффициент тока намагничивания для типовой характеристики равный 2,05 (данный коэффициент и/или коэффициенты полинома могут уточняться для конкретного трансформатора), – ток холостого хода.
Кусочно-линейная функция задается в табличном виде. Значения тока намагничивания и потокосцепления должны быть указаны в относительных единицах при базисных значениях, аналогичных для полиномиальной функции.
По умолчанию в блоке включен расчет параметров схемы замещения по каталожным данным трансформатора. Отключить автоматический расчет и задать свои параметры схемы замещения можно установив свойство «Задать свои параметры схемы замещения» равным «Да».
Параметры схемы замещения в относительных единицах определяются следующим образом:
полные сопротивления обмоток:
активные сопротивления обмоток:
индуктивные сопротивления обмоток:
активное и полное сопротивления холостого хода:
активное сопротивление ветви намагничивания определяется как действительная часть комплексного выражения:
индуктивное сопротивление ветви намагничивания определяется как мнимая часть комплексного выражения:
- для обмотки ВН направление в трансформатор через порт 1
- для обмоток НН1 и НН2 направление из трансформатора через порт 2 и 3
Свойства
| Название | Имя | Описание (опционально) |
|---|---|---|
| Тип | Type | Текстовое описание, удобное для работы с каталогом оборудования. Рекомендуется указывать стандартный тип трансформатора и при необходимости дополнительную информацию, например коэффициент трансформации. |
| Номинальная мощность, кВА | Snom | |
| Номинальное напряжение обмотки ВН (линейное, rms), В | Unomhv | |
| Номинальное напряжение обмотки НН (линейное, rms), В | Unomlv | |
| Номинальная частота, Гц | fnom | |
| Ток холостого хода, % | Ixx | |
| Напряжение короткого замыкания ВН-НН1//НН2, % | Ukh_l | |
| Напряжение короткого замыкания НН1-НН2, % | Ukl_l | |
| Потери холостого хода, кВт | Px | |
| Потери короткого замыкания, кВт | Pk | |
| Задать свои параметры схемы замещения | UserSet | Значения: Да/Нет. Если задано «Да», то можно внести свои параметры схемы замещения |
| Сопротивление обмотки ВН [Xh, Rh], о.е. | Zl1pu | Задается в виде массива из двух элементов:
|
| Сопротивление обмотки НН [Xl, Rl], о.е. | Zl2pu | Задается в виде массива из двух элементов:
|
| Сопротивление намагничивания прямой последовательности [Xm1, Rm1], о.е. | Zmpu | Задается в виде массива из двух элементов:
Значение сопротивлений нужно задавать для параллельного соединения R, L элементов |
| Учитывать характеристику намагничивания | mag_on | Значения: Да/Нет |
| Способ задания характеристики намагничивания | type_mag | Значения:
|
| Коэффициент базисного тока характеристики намагничивания | Ibpu | |
| Ток намагничивания iμ(φ), о.е. | impu_psipu | Применимо только для полиномиальной характеристики. Задается в виде массива, содержащего коэффициенты полинома. Полином должен иметь нечетные степени и обязательно присутствовать 1-я степень. |
| Ток намагничивания [iμ], о.е. | Impu | Применимо только для кусочно-линейной характеристики. Задается в виде массива, содержащего значения токов намагничивания |
| Потокосцепление [φ], о.е. | Psipu | Применимо только для кусочно-линейной характеристики. Задается в виде массива, содержащего значения потокосцеплений для заданных токов намагничивания свойства Impu |
| Схема и группа соединений | sc_type | Значения:
|
| Вывод нейтрали ВН | Nhv_on | Значения: Да/нет. Применимо только для схем:
|
| Номинальный ток обмотки ВН (rms), А | Inom | Расчетные (справочные) значения |
| Номинальный ток обмотки НН (rms), А | InomLV | Расчетные (справочные) значения |
| Коэффициент трансформации | Ktr | Расчетные (справочные) значения |
Параметры
| Название | Имя | Описание (опционально) |
|---|---|---|
| Ток обмотки ВН [IA, IB, IC], А | Ihv_par | Массив размерностью 3. Значения тока фаз А,В,С соответственно |
| Ток обмотки НН1 [Ia1, Ib1, Ic1], А | Ilv1_par | Массив размерностью 3. Значения тока фаз А,В,С соответственно |
| Ток обмотки НН2 [Ia2, Ib2, Ic2], А | Ilv2_par | Массив размерностью 3. Значения тока фаз А,В,С соответственно |
Порты
| Имя | Описание | Тип линии связи |
|---|---|---|
| Входные порты | ||
| Блок не имеет входных портов. | ||
| Выходные порты | ||
| Блок не имеет выходных портов. | ||
| Ненаправленные порты | ||
| 1 |
Порт для подключения блока к трехфазной однолинейной электрической цепи. Выводы обмотки 1 (ВН) |
Электрическая (однолинейная трехфазная именованная: a, b, c) |
| 2 |
Порт для подключения блока к трехфазной однолинейной электрической цепи. Выводы обмотки 2 (НН1) |
Электрическая (однолинейная трехфазная именованная: a, b, c) |
| 3 |
Порт для подключения блока к трехфазной однолинейной электрической цепи. Вывод нейтрали обмотки 3 (НН2) |
Электрическая (однолинейная трехфазная именованная: a, b, c) |
| N1 |
Порт для подключения блока к электрической цепи. Вывод нейтрали обмотки 2 (НН). Активируется при выборе значения «Да» свойства «Вывод нейтрали ВН» |
Электрическая |
Примеры
- Demo\Электрика\ЭЦ-Динамика v 2\Трансформаторы силовые\Трансформатор 3-фазный 2-обмоточный c расщ обм НН YDD-11-11 (1 л. сх.).prt

