GeneralProject

Описание демо-примера

Расположение

SimInTech\Demo\Microprocessors\Texas_Instruments\GeneralProject\GeneralProject.prt

Описание

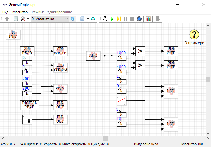
В примере (Рисунок 1) демонстрируется работа блоков библиотеки "Texas Instruments" для работы с микроконтроллером семейства Texas Instruments.


Рис. 1. Проект демонстрирующий работу блоков библиотеки "Texas Instruments"
Для запуска примера необходимо сгенерировать представленный алгоритм работы в код на языке "Си" и загрузить его на микроконтроллер Texas Instruments. В данном проекте представлена:
  1. Работа блока "Инициализация платы" для инициализации платы микроконтроллера.
  2. Работа блоков "Запись данных SPI" и "Чтение данных SPI" для взаимодействия по последовательному интерфейсу SPI микроконтроллера.
  3. Работа блока "Экран LCD строка" для отображения заданной строки на LCD-экране. Строка для отображения задается в свойствах блока.
  4. Работа блока "Настройка ШИМ" для настройки сигнала ШИМ на 4 пине EPWM микроконтроллера.
  5. Работа блоков "Чтение состояния пина" и "Установка состояния пина" для передачи дискретного источника сигнала с порта 0 на дискретный GPIO-пин 1 микроконтроллера.
  6. Работа блока "Установка состояния пина" для изменения состояния GPIO-пина 2 микроконтроллера согласно сформированному сигналу меандра на микроконтроллере.
  7. Работа блока "Экран LCD" с блоком "Линейный источник" для отображения сформированного сигнала на LCD-дисплее. Для настройки отображения используются два блока "Константа": верхний блок отвечает за количество строк на LCD-дисплее, а нижний блок - за количество столбцов.
  8. Работа блока "Чтение из АЦП", "Экран LCD" и "Установка состояния пина" для преобразования сигнала с порта 0 в цифровой сигнал и его отображения на LCD дисплее. Кроме того, преобразованный сигнал будет записан в GPIO-пин 4 и 5.

Используемые блоки